Rocket Espresso R58 Part Diagram RER58

This is the Rocket Espresso R58 Part Diagram RER58. In the list below, you will find all the parts associated with the diagram that are available. Use the parts diagram to determine the part(s) you need.

If the part listed below is not viewable then we do not carry it at this time. However, if your machine is currently in production we are likely able to acquire the part directly from the manufacturer. In this case, contact us by submitting a support ticket. Please be advised that it may take up to eight weeks for us to receive the part from the manufacturer.

Please note: Parts are neither returnable nor refundable. If you need assistance selecting a part for your machine, please contact us.

1 of
Diagram # Pos # Image Description Price
Diagram # Pos # Image Description Price
RER58-1 1 Cupsframe
Part Number: A619904640
$192.68 View Part
RER58-1 2
RE-R01L000382 - R01L000382 V2 Reservoir Cover
Reservoir cover complete
Part Number: R01L000382
$50.60 View Part
RER58-1 3 Cups support panel
Part Number: A010004657
$158.72 View Part
RER58-1 4
Side Panel | Rocket Espresso RE-A010004659
Side panel
Part Number: A010004659
$107.60 View Part
RER58-1 5 Rear panel
Part Number: A010004658
$80.84 View Part
RER58-1 6
Rear Tag W Rocket Logo | Rocket Espresso RE-A859904400
Rear tag
Part Number: A859904400
$54.04 View Part
RER58-1 7 Tank guide
Part Number: A019904656
RER58-1 8
Front Panel | Rocket Espresso RE-A01I004561
Front panel
Part Number: A01I004561
$73.40 View Part
RER58-1 9 Front tag
Part Number: A859905056
RER58-1 10
Grid | Rocket Espresso RE-A019904346
Grid
Part Number: A019904346
$39.80 View Part
RER58-1 11
Rocket Mozzafiato / Giotto Evoluzione Type V - Drip Tray | Rocket Espresso RE-R01L005125
Drip tray
Part Number: R01L005125
$110.60 View Part
RER58-1 12
A229904512 R58 Plug And O Ring | Rocket Espresso RE-A229904512
DrIp tray plug with Oring
Part Number: A229904512
$11.84 View Part
RER58-1 13 1/8 Half nut
Part Number: A329904369
RER58-1 14
R60V Foot With Extension - 1 Foot - Fits R60 And R58 | Rocket Espresso RE-R059906167
Foot with extension (2 pcs)
Part Number: R059906167
Notes: From serial # C1706
$43.64 View Part
RER58-1 Foot 40mm
Part Number: A019904282
Notes: Up to serial # C1705
$17.48 View Part
RER58-1 15 Drain bucket
Part Number: A439904913
$8.70 View Part
RER58-1 16 Chassis
Part Number: A009905127
$235.86 View Part
RER58-1 17 Water tank guide support
Part Number: A009904661
RER58-2 1 Water tank handle
Part Number: A639904956
$8.32 View Part
RER58-2 3 Water tank spring
Part Number: C019900711
RER58-2 4 Connector
Part Number: C430003482
RER58-2 5 O ring
Part Number: C449900702
RER58-2 6 Coupling
Part Number: A439905146
RER58-2 7 O ring
Part Number: A449904547
RER58-2 8 Manifold
Part Number: A439905148
Notes: from Sn D1314R581793
RER58-2 8 Manifold
Part Number: A439904347
Notes: till Sn D1314R581793
RER58-2 8A Opening valve rod
Part Number: C520003483
Notes: till Sn D1314R581793 (use with 8 and 8B)
RER58-2 8B O ring
Part Number: C449901159
Notes: till Sn D1314R581793 (use with 8 and 8A)
RER58-2 11 6 x 9 Silicon pipe
Part Number: C260003822
RER58-2 12 Valve ball
Part Number: C430003819
RER58-2 13 Non return connector
Part Number: C220003818
RER58-2 14 4 x 7 Silicon pipe
Part Number: C400001928
RER58-2 15 5 x 8 Silicon pipe
Part Number: C499900769
RER58-2 16 Silicon pipe holder
Part Number: A229904511
RER58-2 17 Solenoid valve V230
Part Number: C190004066
RER58-2 17A Solenoid valve V115
Part Number: C190004067
RER58-2 18 1/8 T Connector M
Part Number: A229904358
RER58-2 19 Oring
Part Number: A449905151
RER58-2 20 1/8 T Connector FMF
Part Number: C229900703
RER58-2 21 Non return valve
Part Number: C229900540
RER58-2 22 Water tank complete
Part Number: R899905145
RER58-2 23 1/8 MF Reduction
Part Number: A229905086
RER58-2 24 1/8 L Connector MF
Part Number: A229904445
RER58-2 25 3/8 - 1/8 MF Reduction
Part Number: A229904356
RER58-2 26 Pump motor V230
Part Number: A199904493
RER58-2 26A Pump motor V115
Part Number: A199904494
RER58-2 27 Volumetric pump
Part Number: A299904495
RER58-2 28 Motor bracket
Part Number: A009904447
RER58-2 29 Motor schock absorber
Part Number: A499904364
RER58-2 30 Expansion output
Part Number: A227704363
RER58-2 31 Rubber connector
Part Number: C449900709
RER58-2 32 Direct water connection hose
Part Number: A299904390
RER58-2 33 9 x12 Silicon pipe
Part Number: M499904824
RER58-2 34 3/8 M-1/8 M Connector
Part Number: A229904374
RER58-2 3/8 F-1/8 M Connector
Part Number: A229905211
Notes: USA
RER58-2 3/8 M - 9/16 M Connector
Part Number: A229905212
Notes: USA
RER58-2 35 Expansion valve
Part Number: C229900911
RER58-2 36 Pipe
Part Number: A279904642
RER58-2 37 Pipe
Part Number: A279904643
RER58-2 38 Pipe
Part Number: A279904644
RER58-2 39 Pipe
Part Number: A279904647
RER58-2 40 Pipe
Part Number: A279904648
RER58-2 41 Pipe
Part Number: A279904353
RER58-2 42 Water inlet connector
Part Number: A220004313
RER58-2 43 Svivel connector
Part Number: A229904349
RER58-2 44 1/8 Plug
Part Number: A229904548
RER58-2 45 Teflon gasket 1/8
Part Number: A469904549
RER58-3 1 Inlet pipe w. 3 mm restrictor
Part Number: A279905173
RER58-3 2 Injector
Part Number: C229900393
RER58-3 3 Connector
Part Number: C229900740
RER58-3 4 Copper gasket
Part Number: C479900673
RER58-3 5 Coffee boiler
Part Number: A270004558
RER58-3 6 Thermostat 135C
Part Number: C199901550
RER58-3 7 OR Viton 114
Part Number: A449905175
RER58-3 8 NTC Probe
Part Number: A199904679
RER58-3 9 Return pipe
Part Number: A279904641
RER58-3 11 L Connector 3/8 MM
Part Number: A229904957
RER58-3 12 Heating element gasket
Part Number: C469900239
RER58-3 13 Heating element V230
Part Number: A199905013
RER58-3 13A Heating element V115
Part Number: A199905014
RER58-3 14 Heating element V230
Part Number: A110004667
RER58-3 14A Heating element V115
Part Number: A110004668
RER58-3 15 Heating element gasket
Part Number: A269904671
RER58-3 16 R58 Service boiler probe
Part Number: A199905078
RER58-3 17 Antisuction valve
Part Number: A219905510
RER58-3 18 Safety valve 1.8
Part Number: A229905084
RER58-3 19 3/8 L Connector MF
Part Number: A229904680
RER58-3 20 1/4 L Connector MM
Part Number: C229900525
RER58-3 21 1/8 L Connector MM
Part Number: A229904355
RER58-3 22 Service boiler
Part Number: A270004559
RER58-3 23 Hot water pipe
Part Number: A279904645
RER58-3 24 Steam pipe
Part Number: A279904646
RER58-3 25 Pump pressure gauge
Part Number: A299904663
RER58-3 26 Boiler pressure gauge
Part Number: A299904662
RER58-3 27 Pressure gauge support
Part Number: M009904997
RER58-3 28 NTC Service boiler probe
Part Number: A119905081
RER58-3 29 Teflon gasket
Part Number: A269904417
RER58-4 1 Hot water valve
Part Number: A227704669
RER58-4 2 Steam/hot water valve handle
Part Number: A639905816
RER58-4 3 Oring
Part Number: A449904672
RER58-4 4 Steam cover handle
Part Number: A529R04649
RER58-4 5 Hot water cover handle
Part Number: A527704649
RER58-4 6 Teflon gasket
Part Number: A449904331
RER58-4 7 Spring
Part Number: A209904332
RER58-4 8 Plate
Part Number: A229904333
RER58-4 9 Oring
Part Number: C400002022
RER58-4 10 Hot water nozzle
Part Number: R299905217
RER58-4 11 Steam tip 1.5
Part Number: A899905091
RER58-4 11A Steam tip 1.2
Part Number: A899905092
RER58-4 12 Hot water wand complete
Part Number: A219904650
RER58-4 13 Steam wand complete
Part Number: A219904651
RER58-4 14 Steam valve
Part Number: A227705093
RER58-4 15 Valve rod (compl. assembly kit)
Part Number: R229905676
RER58-5 1 Control Box V230
Part Number: A190004664
RER58-5 1A Control Box V115
Part Number: A199905012
RER58-5 2 Rele
Part Number: A190004666
RER58-5 3 Display complete with spiral cable
Part Number: RA199905727
RER58-5 4 General switch
Part Number: A199904992
RER58-5 5 Nut
Part Number: A529904989
RER58-5 6 Green lamp
Part Number: A139904519
RER58-5 7 Flat cable connection to board
Part Number: A199904673
RER58-5 8 Conn. cable board to display
Part Number: A199904674
Notes: till Sn D1233R584657
RER58-5 Spiral cable
Part Number: A199905115
Notes: from Sn D1233R584657
RER58-5 9 Microswitch
Part Number: A199905198
RER58-5 10 Cordlock
Part Number: C439900086
RER58-5 11 CE Power cord
Part Number: C199900957
RER58-5 IS Power cord
Part Number: A199904518
RER58-5 KR Power cord
Part Number: A199904616
RER58-5 UL Power cord
Part Number: C199900958
RER58-5 AUS/NZ Power cord
Part Number: C199901115
RER58-5 GB Power cord
Part Number: C199901116
RER58-5 CH Power cord
Part Number: C199901510
RER58-5 12 Wiring loom
Part Number: A190004639
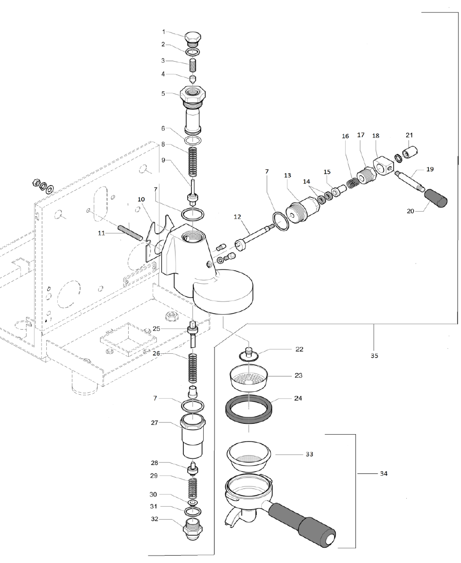
RER58-6 1 Rounded nut
Part Number: A229904391
RER58-6 2 Gasket
Part Number: C469900420
RER58-6 3 Filter
Part Number: C619900554
RER58-6 4 Restrictor 0,8
Part Number: C229900549
RER58-6 5 Ceramic group shaft
Part Number: RA99905814
RER58-6 6 Green gasket
Part Number: C469900422
RER58-6 7 Teflon gasket
Part Number: C469900421
RER58-6 8 Spring
Part Number: C219900423
RER58-6 9 Valve assembly
Part Number: C219900424
RER58-6 10 Gasket
Part Number: C449900767
RER58-6 11 Fixing group screw
Part Number: A319904599
RER58-6 12 Shaft
Part Number: R229905238
RER58-6 13 Flange
Part Number: R000002142
RER58-6 14 Gasket
Part Number: C219900426
RER58-6 15 Support
Part Number: R000002143
RER58-6 16 Spring
Part Number: C219900427
RER58-6 17 Cover
Part Number: R000002144
RER58-6 18 Shaft
Part Number: R000002145
RER58-6 19 Lever shaft
Part Number: A829904329
RER58-6 20 Group handle
Part Number: A839904330
RER58-6 21 Pin
Part Number: R000002146
RER58-6 22 Diffuser
Part Number: C229901228
RER58-6 23 Shower
Part Number: C519900103
RER58-6 24 Group Gasket
Part Number: C449900229
RER58-6 25 Drain valve
Part Number: R229905239
RER58-6 26 Spring
Part Number: A219904309
RER58-6 27 Cylinder
Part Number: C229901165
RER58-6 28 Valve
Part Number: C219903081
RER58-6 29 Spring
Part Number: C219900431
RER58-6 30 Connector
Part Number: R000002148
RER58-6 31 Gasket
Part Number: C469900783
RER58-6 32 Connector
Part Number: R000002149
RER58-6 33 7 gr filter basket
Part Number: C610003902
RER58-6 33A 14 gr filter basket
Part Number: C610003901
RER58-6 33B Blind filter
Part Number: C619900106
RER58-6 34 1 cup filter holder w/filter
Part Number: A699905020
RER58-6 34A 2 cups filter holder w/filter
Part Number: A699905021
RER58-6 35 Group complete
Part Number: A229905448