Profitec Drive Part Diagram 10750
This is the Profitec Drive Part Diagram 10750. In the list below, you will find all the parts associated with the diagram that are available. Use the parts diagram to determine the part(s) you need.
If the part listed below is not viewable then we do not carry it at this time. However, if your machine is currently in production we are likely able to acquire the part directly from the manufacturer. In this case, contact us by submitting a support ticket. Please be advised that it may take up to eight weeks for us to receive the part from the manufacturer.
Please note: Parts are neither returnable nor refundable. If you need assistance selecting a part for your machine, please contact us.
| Diagram # | Pos # | Image | Description | Price |
|---|
| Diagram # | Pos # | Image | Description | Price | |
|---|---|---|---|---|---|
| 10750-1 | 1 | Hex socket head cap screw M4 x 12 A2
Part Number: B7819901 |
|||
| 10750-1 | 2 | Hex socket button head screw M4 x 12 A2 Part Number: P1992 SKU: 25442 |
$5.32 | View Part | |
| 10750-1 | 3 | Blind rivet struss Head 2,4x8
Part Number: P1998 |
|||
| 10750-1 | 4 |
|
Hex socket head cap screw M4 x10 A2 Part Number: P2006 SKU: 22426 |
$5.41 | View Part |
| 10750-1 | 5 |
|
Hex socket button head screw M4 x 10 A2 Part Number: P2022 SKU: 22427 |
$5.37 | View Part |
| 10750-1 | 6 |
|
Washer M6 A2 Part Number: P2052 SKU: 41438 |
$12.52 | View Part |
| 10750-1 | 7 | Hex socket button head screw M4 x 6 - A2
Part Number: P2055 |
|||
| 10750-1 | 8 | Emblem Profitec small
Part Number: P2063.1 |
|||
| 10750-1 | 9 | Blind rivet inox 4.8
Part Number: P2076 |
|||
| 10750-1 | 10 | Base frame bottom
Part Number: P2110.4 |
|||
| 10750-1 | 11 | Base frame front
Part Number: P2110.5 |
|||
| 10750-1 | 12 | Driptray
Part Number: P2111.3 |
|||
| 10750-1 | 13 | Front panel
Part Number: P2113.3 |
|||
| 10750-1 | 14 |
|
Grid drip tray Part Number: P2114 SKU: 23923 |
$76.73 | View Part |
| 10750-1 | 15 | Side panel L/R
Part Number: P2117 |
|||
| 10750-1 | 16 |
|
Lower cup tray Part Number: P2119 SKU: 23579 |
$218.87 | View Part |
| 10750-1 | 17 | Height grid Part Number: P2122 SKU: 24493 |
$46.58 | View Part | |
| 10750-1 | 18 | Rear panel
Part Number: P2124 |
|||
| 10750-1 | 19 | Sheet metal background for lettering
Part Number: P2125 |
|||
| 10750-1 | 20 | Maintenance cover
Part Number: P2127 |
|||
| 10750-1 | 21 | Cuptray complete
Part Number: P2129 |
|||
| 10750-1 | 22 | Cuptray
Part Number: P2129.1 |
|||
| 10750-1 | 23 | Railing Cuptray
Part Number: P2129.2 |
|||
| 10750-1 | 24 | Drainage pan including screws
Part Number: P2505 |
|||
| 10750-1 | 25 | Silicone rubber bumper cup tray bottom
Part Number: P2831 |
|||
| 10750-1 | 26 | Guide rail drip tray
Part Number: P3001.6 |
|||
| 10750-1 | 27 | Washer M4 A2 - A=12mm
Part Number: P6100 |
|||
| 10750-1 | 28 | Appliance feet Inoc H30mm M10
Part Number: P7025 |
|||
| 10750-2 | 1 | Ball water tank lock
Part Number: B5471509 |
|||
| 10750-2 | 2 | Seal water tank adapter lower
Part Number: B7496076 |
|||
| 10750-2 | 3 | Hex socket head cap screw M4 x 12 A2
Part Number: B7819901 |
|||
| 10750-2 | 4 | Solenoid valve 2-ways 1/8"FF 230V/50Hz
Part Number: C199900275 |
|||
| 10750-2 | Solenoid valve 2-ways 1/8"FF 110V/60Hz
Part Number: US1005 |
||||
| 10750-2 | 5 | Drain nozzle chromatized brass
Part Number: C227700898 |
|||
| 10750-2 | 6 | Nipple G1/4"M - G1/8"M
Part Number: C229900519 |
|||
| 10750-2 | 7 | Check valve 1/8" MM
Part Number: C229900548 |
|||
| 10750-2 | 8 | Elbow 1/8"M 1/8"M
Part Number: C229900579 |
|||
| 10750-2 | 9 | T-Fitting G1/8" M M F
Part Number: C229900644 |
|||
| 10750-2 | 10 | T-connector 1/8"FMF
Part Number: C229900703 |
|||
| 10750-2 | 11 | Filter water tank operation
Part Number: C439900695 |
|||
| 10750-2 | 12 | Silicone hose 5 x 8
Part Number: C499900769 |
|||
| 10750-2 | 13 | Filter fixed water inlet
Part Number: C519900369 |
|||
| 10750-2 | 14 |
|
Hex socket head cap screw M4 x10 A2 Part Number: P2006 SKU: 22426 |
$5.41 | View Part |
| 10750-2 | 15 | Hexagon Nut M3 A2
Part Number: P2019 |
|||
| 10750-2 | 16 | Hex nut M6 A2
Part Number: P2051 |
|||
| 10750-2 | 17 |
|
Washer M6 A2 Part Number: P2052 SKU: 41438 |
$12.52 | View Part |
| 10750-2 | 18 | Hex socket head cap screw M6 x 8 A2
Part Number: P2077 |
|||
| 10750-2 | 19 | Water tank guide closed
Part Number: P2123 |
|||
| 10750-2 | 20 | Pump pressure gauge
Part Number: P2460 |
|||
| 10750-2 | 21 | Pipe fixed plumbing / Valve
Part Number: P2520 |
|||
| 10750-2 | 22 | Cross fitting brass hose
Part Number: P2559 |
|||
| 10750-2 | 23 | Expansionvalve 14 Bar Rota
Part Number: P2567 |
|||
| 10750-2 | 24 | Foot motor rotation pump
Part Number: P3015.1 |
|||
| 10750-2 | 25 | Straight-through fitting G1/4" F - F
Part Number: P3023 |
|||
| 10750-2 | 26 | Reducer G3/8"M - G1/8"F
Part Number: P3024 |
|||
| 10750-2 | 27 | Rotary pump 50l/h
Part Number: P3025 |
|||
| 10750-2 | 28 | Motor rotary pump 220V/50HZ/120W
Part Number: P3026 |
|||
| 10750-2 | Motor rotary pump 110V/60HZ/120W
Part Number: US1016 |
||||
| 10750-2 | 29 | Flex hose G1/8"F - G3/8"F 150cm
Part Number: P3036 |
|||
| 10750-2 | 30 | Elbow 360 rotary G1/4" M - F
Part Number: P3527 |
|||
| 10750-2 | 31 | Valve 3-ways manual G1/4" FFF
Part Number: P3528 |
|||
| 10750-2 | 32 | Cartridge holder Filter
Part Number: P6009.1 |
|||
| 10750-2 | 33 | Male connector filter
Part Number: P6009.2 |
|||
| 10750-2 | 34 | O-ring filtercartridge holder water tank
Part Number: P6009.3 |
|||
| 10750-2 | 35 | Retrofit kit water tank adapter with filter holder
Part Number: P6009.BK |
|||
| 10750-2 | 36 | Floater cap water tank
Part Number: P6016 |
|||
| 10750-2 | 37 | Watertank adapter connector nut M20
Part Number: P6020.K3 |
|||
| 10750-2 | 38 | Water tank adapter connector
Part Number: P6020.K4 |
|||
| 10750-2 | 39 | Reed swimmer
Part Number: P6021 |
|||
| 10750-2 | 40 | Reed sensor low water switch-off
Part Number: P6022 |
|||
| 10750-2 | 41 | Spring water tank lock
Part Number: P6023 |
|||
| 10750-2 | 42 | Seal water tank adapter middle
Part Number: P6025 |
|||
| 10750-2 | 43 | Closure cap WT-connector silicone
Part Number: P6026 |
|||
| 10750-2 | 44 | Capillary tube pump pressure gauge 1/8"FF
Part Number: P6051 |
|||
| 10750-2 | 45 | Elbow 1/4"M 6mm silicone tube
Part Number: P6057 |
|||
| 10750-2 | 46 | Hex socket button head screw M3 x 8 A2
Part Number: P6101 |
|||
| 10750-2 | 47 | Hex thin nut chamfered M10 A2
Part Number: P6103 |
|||
| 10750-2 | 48 | Flex hose 1/8"M 1/8"F
Part Number: P8012 |
|||
| 10750-2 | 49 | Water tank blank
Part Number: P9010 |
|||
| 10750-2 | 50 | Watertank complete with reed floater and filter holder
Part Number: P9010.BK1 |
|||
| 10750-2 | 51 | Elbow G1/8" M - G1/8" F
Part Number: P9014 |
|||
| 10750-2 | 52 | Elbow G1/4"M - G1/8"M
Part Number: P9015 |
|||
| 10750-3 | 1 | Safety thermostat 145C
Part Number: C199901550.1 |
|||
| 10750-3 | 2 | Elbow G1/4" M - R1/4" M
Part Number: C229900526 |
|||
| 10750-3 | 3 | Hex nut M8 brass
Part Number: C309900127.2 |
|||
| 10750-3 | 4 | Boiler loading pipe
Part Number: P1904 |
|||
| 10750-3 | 5 |
|
Hex socket head cap screw M4 x10 A2 Part Number: P2006 SKU: 22426 |
$5.41 | View Part |
| 10750-3 | 6 | Spring washer M8 A2
Part Number: P2011 |
|||
| 10750-3 | 7 | Ellbow G1/4" M - G1/4" M
Part Number: P2040 |
|||
| 10750-3 | 8 | Copper sealing ring 1/4"
Part Number: P2049 |
|||
| 10750-3 | 9 | Screw plug with gasket G1/8"
Part Number: P2058 |
|||
| 10750-3 | 10 | Bracket boiler
Part Number: P2121 |
|||
| 10750-3 | 11 | Stop valve G1/8" M - F
Part Number: P3029 |
|||
| 10750-3 | 12 | Temperature probe G1/4"
Part Number: P6037 |
|||
| 10750-3 | 13 | Hexagon nut M5 A2
Part Number: P6102 |
|||
| 10750-3 | 14 | Insulation stainless steel boiler
Part Number: P7051 |
|||
| 10750-3 | 15 | Heating element 1kW 230V
Part Number: P9011 |
|||
| 10750-3 | Heating element 1kW 110V
Part Number: US1008 |
||||
| 10750-3 | 16 | Stainless steel boiler
Part Number: P9012 |
|||
| 10750-3 | 17 | Seal heating element stainless steel boiler
Part Number: P9013 |
|||
| 10750-3 | 18 | Elbow G1/8" M - G1/8" F
Part Number: P9014 |
|||
| 10750-3 | 19 | Elbow G1/4"M - G1/8"M
Part Number: P9015 |
|||
| 10750-3 | 20 | Washer Teflon 7,8 x 15,8 x 4mm
Part Number: P9033 |
|||
| 10750-4 | 1 | Capillary tube boiler pressure gauge 1/8"FF
Part Number: B7400902 |
|||
| 10750-4 | 2 | Hex socket head cap screw M4 x 12 A2
Part Number: B7819901 |
|||
| 10750-4 | 3 | level control probe 120mm
Part Number: C199900214 |
|||
| 10750-4 | 4 | Safety thermostat 145C
Part Number: C199901550.1 |
|||
| 10750-4 | 5 | Nipple G1/4"M - G1/8"M
Part Number: C229900519 |
|||
| 10750-4 | 6 | Nipple G1/4"M - G1/4"M
Part Number: C229900520 |
|||
| 10750-4 | 7 | Elbow G1/4" M - R1/4" M
Part Number: C229900526 |
|||
| 10750-4 | 8 | Hex nut M8 brass
Part Number: C309900127.2 |
|||
| 10750-4 | 9 | Silicone hose 5 x 8
Part Number: C499900769 |
|||
| 10750-4 | 10 | Silicone hose 5 x 8
Part Number: C499900769 |
|||
| 10750-4 | 11 |
|
Hex socket head cap screw M4 x10 A2 Part Number: P2006 SKU: 22426 |
$5.41 | View Part |
| 10750-4 | 12 | Spring washer M8 A2
Part Number: P2011 |
|||
| 10750-4 | 13 | Blind screw w. gasket G1/4"
Part Number: P2060 |
|||
| 10750-4 | 14 | Bracket boiler
Part Number: P2121 |
|||
| 10750-4 | 15 | Boiler pressure gauge
Part Number: P2461 |
|||
| 10750-4 | 16 | Steam boiler loading pipe
Part Number: P2521 |
|||
| 10750-4 | 17 | Steam extraction pipe
Part Number: P2522 |
|||
| 10750-4 | 18 | Water extraction pipe
Part Number: P2523 |
|||
| 10750-4 | 19 | Anti-vacuum valve with drain 1/4"
Part Number: P2561 |
|||
| 10750-4 | 20 | Thread reduction G3/8"M - G1/4"F
Part Number: P2660 |
|||
| 10750-4 | 21 | Safety relief valve 2,5 bar w. drain G1/4"
Part Number: P2661 |
|||
| 10750-4 | 22 | Temperature probe G1/4"
Part Number: P6037 |
|||
| 10750-4 | 23 | Heating element 230V 1400W
Part Number: P7014.1 |
|||
| 10750-4 | Heating element 110V 1400W
Part Number: US1000 |
||||
| 10750-4 | 24 | Insulation steam boiler INOX
Part Number: P7052 |
|||
| 10750-4 | 25 | Seal heating element stainless steel boiler
Part Number: P9013 |
|||
| 10750-4 | 26 | Washer Teflon 7,8 x 15,8 x 4mm
Part Number: P9033 |
|||
| 10750-4 | 27 | Steam/hot water boiler
Part Number: P9232 |
|||
| 10750-5 | 1 | Spring guide group
Part Number: B7479942 |
|||
| 10750-5 | 2 | Lock washer M8
Part Number: B7479947 |
|||
| 10750-5 | 3 | Spring upper/middle
Part Number: C219900423 |
|||
| 10750-5 | 4 | Valvestem upper brewgroup E61
Part Number: C219900424 |
|||
| 10750-5 | 5 | Camshaft brewgroup E61
Part Number: C219900425 |
|||
| 10750-5 | 6 | Sealing camshaft brewgroup E61
Part Number: C219900426 |
|||
| 10750-5 | 7 | Spring axis group
Part Number: C219900427 |
|||
| 10750-5 | 8 | Valve group E61 lower
Part Number: C219900430 |
|||
| 10750-5 | 9 | Spring lower
Part Number: C219900431 |
|||
| 10750-5 | 10 | Valve group E61 middle
Part Number: C219903081 |
|||
| 10750-5 | 11 | Sprayer brew group
Part Number: C229901128 |
|||
| 10750-5 | 12 | Sleeve assembly
Part Number: C229901165 |
|||
| 10750-5 | 13 | Hex nut M8 A2
Part Number: C309900127 |
|||
| 10750-5 | 14 | Socket set screw flat point M8 x 30 A2
Part Number: C309900131 |
|||
| 10750-5 | 15 | Lever knob
Part Number: C439900840 |
|||
| 10750-5 | 16 | Gasket brew group/front panel E61
Part Number: C449900767 |
|||
| 10750-5 | 17 | Gasket axis 35x30x2
Part Number: C469900421 |
|||
| 10750-5 | 18 | Gasket socket brew group
Part Number: C469900422 |
|||
| 10750-5 | 19 | Teflon gasket 26x21x2
Part Number: C469900783 |
|||
| 10750-5 | 20 | Shower screen E-61
Part Number: C519900103 |
|||
| 10750-5 | 21 | Brew Group E-61 Profitec
Part Number: P1018 |
|||
| 10750-5 | 22 | Group gasket H=8,5mm
Part Number: P1021 |
|||
| 10750-5 | 23 | Ball knob
Part Number: P1024 |
|||
| 10750-5 | 24 | Mushroom E61 Flowprofile
Part Number: P1025 |
|||
| 10750-5 | 25 | O-ring for spindle flow profile
Part Number: P1025.1 |
|||
| 10750-5 | 26 | Metal filter Gigleur
Part Number: P1025.2 |
|||
| 10750-5 | 27 | Needle valve cap
Part Number: P1025.6 |
|||
| 10750-5 | 28 | Rounded threaded bolt
Part Number: P1025.7 |
|||
| 10750-5 | 29 | Spring
Part Number: P1029 |
|||
| 10750-5 | 30 | Washer 10 x 6,5 x 1 Teflon
Part Number: P1031 |
|||
| 10750-5 | 31 | O-Ring Flow profile
Part Number: P1032 |
|||
| 10750-5 | 32 | Flow profile pressure gauge Pro700
Part Number: P1033 |
|||
| 10750-5 | 33 | Washer M8 A2 - O=24mm
Part Number: P1972 |
|||
| 10750-5 | 34 | Spring washer M8 A2
Part Number: P2011 |
|||
| 10750-5 | 35 | Inlet pipe brewing group
Part Number: P2524 |
|||
| 10750-5 | 36 | Return pipe brewing group
Part Number: P2525 |
|||
| 10750-5 | 37 | Flange
Part Number: R000002142 |
|||
| 10750-5 | 38 | Connector Group E61
Part Number: R000002143 |
|||
| 10750-5 | 39 | Screw joint axis group
Part Number: R000002144 |
|||
| 10750-5 | 40 | Lever w. cam and bolt Brewgroup
Part Number: R000002145 |
|||
| 10750-5 | 41 | Bolt lever
Part Number: R000002146 |
|||
| 10750-5 | 42 | Lower discharge group
Part Number: R000002149 |
|||
| 10750-6 | 1 | Socket steam-/hot water valve
Part Number: B5220606 |
|||
| 10750-6 | 2 | Spring steam-/hot water valve
Part Number: B5471532 |
|||
| 10750-6 | 3 | O-Ring nut steam-hotwaterlance
Part Number: B7496073 |
|||
| 10750-6 | 4 | OR Lances nozzles NBR black
Part Number: B7496083 |
|||
| 10750-6 | 5 | Half nut 1/4"
Part Number: C329900682 |
|||
| 10750-6 | 6 | Lever knob
Part Number: C439900840 |
|||
| 10750-6 | 7 | Hot water pipe No-Burn
Part Number: P2540 |
|||
| 10750-6 | 8 | Perlator hot water pipe
Part Number: P2540.1 |
|||
| 10750-6 | 9 | Steam lance No-Burn
Part Number: P2541 |
|||
| 10750-6 | 10 | OR Lances nozzles silicone red
Part Number: P2542.1 |
|||
| 10750-6 | 11 | Steam nozzle 2 holes
Part Number: P2543 |
|||
| 10750-6 | 12 | Strainer hot water outlet
Part Number: P6001.2 |
|||
| 10750-6 | 13 | Nut Steam / hot water pipe
Part Number: P6002.5 |
|||
| 10750-6 | 14 | Inox insert ring QS
Part Number: P6003.2 |
|||
| 10750-6 | 15 | Lever QS Inox semi-sphere
Part Number: P6003.3 |
|||
| 10750-6 | 16 | Slide insert valve tappet
Part Number: P6003.4 |
|||
| 10750-6 | 17 | Opening pin valve passage QS
Part Number: P6003.5 |
|||
| 10750-6 | 18 | UNI-spec. O-Ring 113
Part Number: P6003.6 |
|||
| 10750-6 | 19 | Valve spring QS
Part Number: P6003.7 |
|||
| 10750-6 | 20 | Valve pin QS
Part Number: P6003.9 |
|||
| 10750-6 | 21 | Teflon gasket for valve
Part Number: P6015 |
|||
| 10750-6 | 22 | Capillary tube pump pressure gauge 1/8"FF
Part Number: P6051 |
|||
| 10750-6 | 23 | Connection screw G1/4" M
Part Number: P6070.3 |
|||
| 10750-6 | 24 | OR connection screw
Part Number: P6070.4 |
|||
| 10750-6 | 25 | Socket set screw M3 x 8
Part Number: P7000.6 |
|||
| 10750-6 | 26 | Insulation steam-/hot water wand
Part Number: P8110 |
|||
| 10750-6 | 27 | Ventil QS
Part Number: P8119 |
|||
| 10750-6 | 28 | Valve body
Part Number: P8119.1 |
|||
| 10750-6 | 29 | Swivel nut valve body
Part Number: P8119.2 |
|||
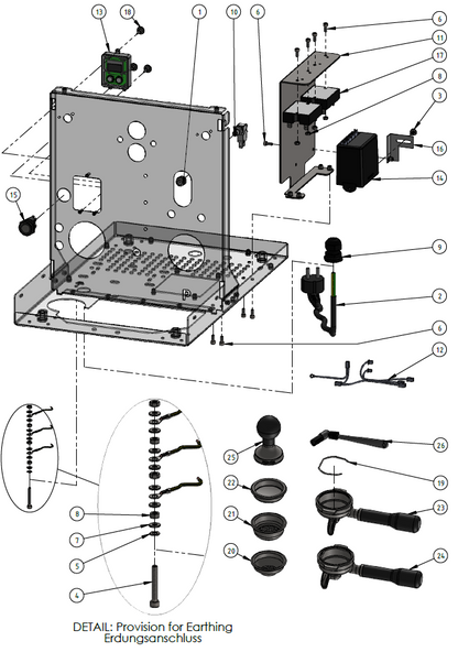
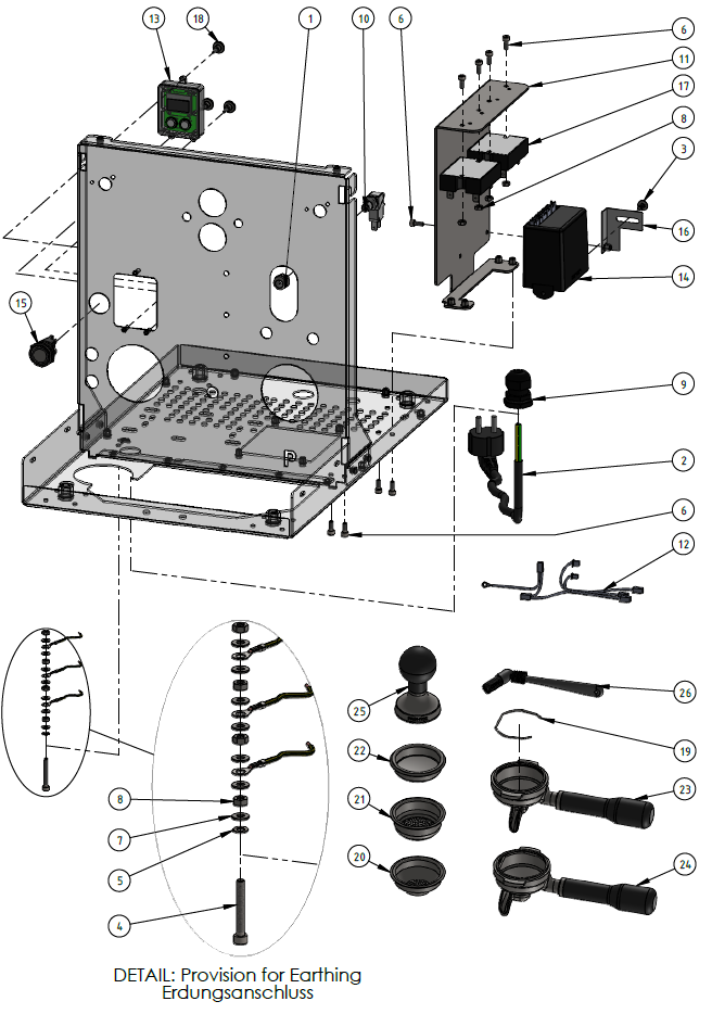
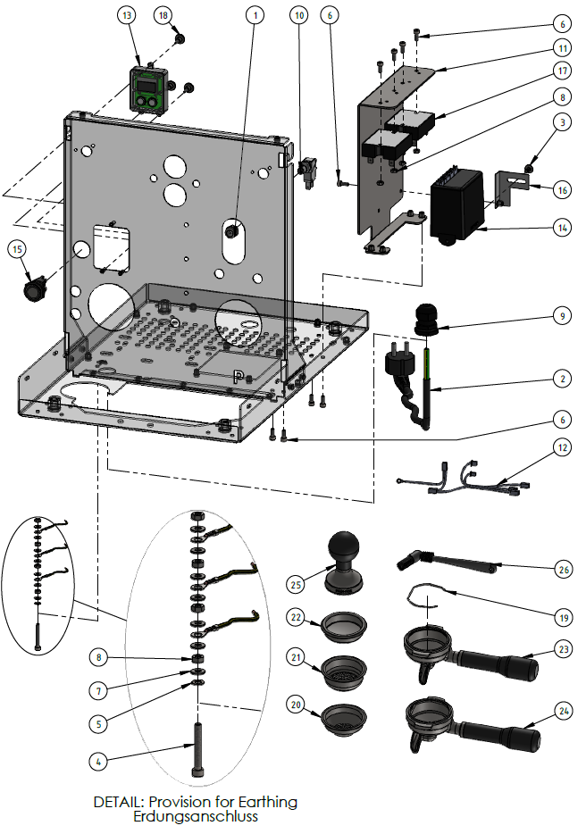
| 10750-7 | 1 | Hexagon nut microswitch
Part Number: B5221875CM |
|||
| 10750-7 | 2 | Power cord-set
Part Number: C199900957 |
|||
| 10750-7 | Power cord-set US plug
Part Number: P2034 |
||||
| 10750-7 | Power cord-set UK plug
Part Number: P2035 |
||||
| 10750-7 | Power cord-set AU plug
Part Number: P2036 |
||||
| 10750-7 | Power cord-set CH plug
Part Number: P2037 |
||||
| 10750-7 | 3 | Fastening screw control / power supply unit
Part Number: P1968 |
|||
| 10750-7 | 4 | Hex socket head cap screw M4 x 30 A2
Part Number: P1983 |
|||
| 10750-7 | 5 | Serrated lock wascher M4 A2
Part Number: P2004 |
|||
| 10750-7 | 6 |
|
Hex socket head cap screw M4 x10 A2 Part Number: P2006 SKU: 22426 |
$5.41 | View Part |
| 10750-7 | 7 | Washer M4 A2
Part Number: P2009 |
|||
| 10750-7 | 8 | Hex nut M4 A2
Part Number: P2026 |
|||
| 10750-7 | 9 | Cable gland with nut
Part Number: P2070 |
|||
| 10750-7 | 10 | Microswitch with wheel
Part Number: P2081 |
|||
| 10750-7 | 11 | Bracket electronic/ power supply/ relais
Part Number: P2112 |
|||
| 10750-7 | 12 | Cable harness
Part Number: P2662 |
|||
| 10750-7 | 13 | OLED-Display 2x Buttons
Part Number: P2802 |
|||
| 10750-7 | 14 | Control 230V & 110V
Part Number: P2803 |
|||
| 10750-7 | 15 | Anti-vandal Switch 230V
Part Number: P2823 |
|||
| 10750-7 | 16 | Bracket electronic
Part Number: P3005 |
|||
| 10750-7 | 17 | Solid state relay
Part Number: P6031 |
|||
| 10750-7 | 18 | Knurled thumb screw high type M3 x 10 A1
Part Number: P6121 |
|||
| 10750-7 | 19 | Locking spring portafilter
Part Number: C619900098 |
|||
| 10750-7 | 20 | Filter for 1 cup 7g coffee
Part Number: C619900104 |
|||
| 10750-7 | 21 | Filter for 2 cups 14g coffee
Part Number: C619900105 |
|||
| 10750-7 | 22 | Blind filter
Part Number: C619900106 |
|||
| 10750-7 | 23 | Filter holder 1 spout
Part Number: C699900233.1 |
|||
| 10750-7 | 24 | Filter holder 2 spouts
Part Number: C699900234.1 |
|||
| 10750-7 | 25 | Tamper Profitec
Part Number: Pr5105 |
|||
| 10750-7 | 26 | Cleaning brush coffee machine
Part Number: R210 |
USA







