Profitec Pro 500 Part Diagram PRO500
This is the Profitec Pro 500 Part Diagram PRO500. In the list below, you will find all the parts associated with the diagram that are available. Use the parts diagram to determine the part(s) you need.
If the part listed below is not viewable then we do not carry it at this time. However, if your machine is currently in production we are likely able to acquire the part directly from the manufacturer. In this case, contact us by submitting a support ticket. Please be advised that it may take up to eight weeks for us to receive the part from the manufacturer.
Please note: Parts are neither returnable nor refundable. If you need assistance selecting a part for your machine, please contact us.
| Diagram # | Pos # | Image | Description | Price |
|---|
| Diagram # | Pos # | Image | Description | Price | |
|---|---|---|---|---|---|
| PRO500-1 | 1 | Railing Pro 500
Part Number: P2106 |
|||
| PRO500-1 | 2 |
|
Post for reling Part Number: P8104 |
$18.43 | View Part |
| PRO500-1 | 3 | Headless screw M3x4 Part Number: P6107 |
$5.48 | View Part | |
| PRO500-1 | 4 | Upper cup warming tray
Part Number: P2104 |
|||
| PRO500-1 | 5 |
|
Adhesive foot for cup warming tray Part Number: B7474212 |
$7.35 | View Part |
| PRO500-1 | 6 |
|
Lens screw M4x10 Part Number: P2022 |
$5.37 | View Part |
| PRO500-1 | 7 | Lower cup warming tray Part Number: P2103 |
$206.77 | View Part | |
| PRO500-1 | 8 | Washer 0 4
Part Number: P2009 |
|||
| PRO500-1 | 9 |
|
Screw cylinder M4x10 Part Number: P2006 |
$5.41 | View Part |
| PRO500-1 | 10 | Body stainless steel polished Part Number: P2107 |
$409.60 | View Part | |
| PRO500-1 | 11 | Chassi Part Number: P2100 |
$199.99 | View Part | |
| PRO500-1 | 12 |
|
Foot inox H30 -M10 Part Number: P7025 |
$28.46 | View Part |
| PRO500-1 | 13 |
|
Front panel Part Number: P2101 |
$101.90 | View Part |
| PRO500-1 | 14 |
|
Label Profitec Part Number: P2063 |
$10.00 | View Part |
| PRO500-1 | 15 | Blind rivet truss head 2,4x12
Part Number: P1998 |
|||
| PRO500-1 | 16 | Drip tray Part Number: M3022.4 |
$142.42 | View Part | |
| PRO500-1 | 17 | Grid trp tray Part Number: P2102 |
$40.40 | View Part | |
| PRO500-2 | 1 | Water tank with guide rail reed complete
Part Number: P9010K1.KW |
|||
| PRO500-2 | 2 |
|
Water tank plug Part Number: P6016.W |
$11.29 | View Part |
| PRO500-2 | 3 | Reed swimmer Part Number: P6021 |
$18.26 | View Part | |
| PRO500-2 | 4 | Water tank
Part Number: P9010.W |
|||
| PRO500-2 | 7 | Water tank adapter no1 plastic
Part Number: P6020.KW1 |
|||
| PRO500-2 | 5 | Water tank adapter no2 plastic
Part Number: P6020.KW2 |
|||
| PRO500-2 | 6 | Seal OR 112
Part Number: B7496076 |
|||
| PRO500-2 | 8 | Seal
Part Number: P6020.3 |
|||
| PRO500-2 | 9 | Sping water tank
Part Number: P6023 |
|||
| PRO500-2 | 10 | Ball 7/32"
Part Number: B5471509 |
|||
| PRO500-2 | 11 | Screw lens M3x10
Part Number: P2021 |
|||
| PRO500-2 | 12 | Reed sensor
Part Number: P6022 |
|||
| PRO500-2 | 13 | Nut M3
Part Number: P2019 |
|||
| PRO500-2 | 14 | Eater tank guide rail
Part Number: P2105 |
|||
| PRO500-2 | 15 | Nut M20 water tank plastic no3
Part Number: P6020.KW3 |
|||
| PRO500-2 | 16 | Fitting water tank M20 no4 plastic
Part Number: P6020.KW4 |
|||
| PRO500-2 | 17 | Silicone hose 8x5 ; 1m
Part Number: C499900769 |
|||
| PRO500-2 | 18 | 90 elbow pump
Part Number: C449900709 |
|||
| PRO500-2 | 19 | Expansion valve
Part Number: C229900911 |
|||
| PRO500-2 | 20 | Filter for silicone hose
Part Number: C439900695 |
|||
| PRO500-2 | 21 | Recoil valve 1/8" MM
Part Number: C229900548 |
|||
| PRO500-2 | 22 | T-connector 1/8" MMF
Part Number: C229900644 |
|||
| PRO500-2 | 23 | T-connector 1/8" MMF
Part Number: C229900703 |
|||
| PRO500-2 | 24 | Screw cylinder M5 x 10
Part Number: P2007 |
|||
| PRO500-2 | 25 | Bracket for the pump plastic
Part Number: P3006.K |
|||
| PRO500-2 | 26 | Screw for bracket
Part Number: P3019 |
|||
| PRO500-2 | 27 | Metal hose Flex 17 cm 1/8M 1/8F
Part Number: P8012 |
|||
| PRO500-2 | 28 | Solenoid valve 230 V 2 ways 1/8-1/8
Part Number: C199900275 |
|||
| PRO500-2 | 28 | Solenoid valve 110 V 2 ways 1/8-1/8
Part Number: US1005 |
|||
| PRO500-2 | 29 | L-connector 1/8M 1/8M
Part Number: C229900579 |
|||
| PRO500-2 | 30 | L-connector 1/8M 1/8F
Part Number: P9014 |
|||
| PRO500-2 | 31 | Bracket for the pump
Part Number: C249900770 |
|||
| PRO500-2 | 32 | Boiler pressure gaupe Profitec
Part Number: P2501 |
|||
| PRO500-2 | 33 | Pump pressure gauge Profitec
Part Number: P2500 |
|||
| PRO500-2 | 34 | Capillary tube pump p. gauge 1m 1/8"-1/8
Part Number: P6051 |
|||
| PRO500-2 | 36 | Adapter complet
Part Number: P6020.KW |
|||
| PRO500-3 | 1 | Downtake tube
Part Number: P2515 |
|||
| PRO500-3 | 2 | Dowel 1/4"- 1/4"
Part Number: C229900520 |
|||
| PRO500-3 | 3 | Boiler loading tube
Part Number: P1904 |
|||
| PRO500-3 | 4 | Copper gasket 1/4" heat exchanger
Part Number: P2049 |
|||
| PRO500-3 | 5 | Angle boiler/heat exchanger 1/4"
Part Number: P2040 |
|||
| PRO500-3 | 6 | Entry pipe group
Part Number: P1900 |
|||
| PRO500-3 | 7 | Boiler Inox Heat exchanger
Part Number: P7014.2 |
|||
| PRO500-3 | 8 | Copper gasket 3/8" heat exchanger
Part Number: P2045 |
|||
| PRO500-3 | 9 | Connection injection pipe
Part Number: C229900740 |
|||
| PRO500-3 | 10 | Injection pipe
Part Number: C229900393 |
|||
| PRO500-3 | 11 | Pipe return flow group
Part Number: P1901 |
|||
| PRO500-3 | 12 | Threat pin M8 x 16 VA flat
Part Number: P6104 |
|||
| PRO500-3 | 13 | Boiler bracket
Part Number: P3003.1 |
|||
| PRO500-3 | 14 | Washer 0 8
Part Number: P2010 |
|||
| PRO500-3 | 15 | Hex nut M8
Part Number: C309900127 |
|||
| PRO500-3 | 16 | Nut M5
Part Number: P6102 |
|||
| PRO500-3 | 17 | Waher D5,3
Part Number: P2043 |
|||
| PRO500-3 | 18 | Safety thermostat 135 C
Part Number: C199901550 |
|||
| PRO500-3 | 19 | Safety valve 3/8"
Part Number: C229900559 |
|||
| PRO500-3 | 20 | Vacuum valve long
Part Number: C219900561 |
|||
| PRO500-3 | 21 | Fill lever probe L: 80 mm
Part Number: C199900839 |
|||
| PRO500-3 | 23 | Dowel 1/4"- 1/4"
Part Number: C229900520 |
|||
| PRO500-3 | 24 | Dowel 1/4" 1/8"
Part Number: C229900519 |
|||
| PRO500-3 | 25 | Hot water wand
Part Number: P1903 |
|||
| PRO500-3 | 26 | Pressure switch
Part Number: C199900294 |
|||
| PRO500-3 | 27 | Copper pipe pressure switch
Part Number: C229901576 |
|||
| PRO500-3 | 28 | Seal heater
Part Number: P9013 |
|||
| PRO500-3 | 29 | Heating 240 V 1400W
Part Number: P7014.1 |
|||
| PRO500-3 | 29 | Heating 110 V 1400W
Part Number: US1000 |
|||
| PRO500-3 | 30 | Washer 0 8
Part Number: P2010 |
|||
| PRO500-3 | 31 | Hex nut M8
Part Number: C309900127 |
|||
| PRO500-3 | 32 | Capillary tube boiler
Part Number: B7400902 |
|||
| PRO500-3 | 33 | Boiler insulation
Part Number: P7050 |
|||
| PRO500-4 | 1 | Steam /hotwater valve
Part Number: P8106 |
|||
| PRO500-4 | 2 | Seal valve silicon
Part Number: P8106.1 |
|||
| PRO500-4 | 9 | Handle hot water/steam
Part Number: P8107 |
|||
| PRO500-4 | 10 | Spacer for valve
Part Number: P8105 |
|||
| PRO500-4 | 11 | circlip
Part Number: P8106.2 |
|||
| PRO500-4 | 12 | Seal handle
Part Number: P7008 |
|||
| PRO500-4 | 13 | Cover valve
Part Number: P8103 |
|||
| PRO500-4 | 14 | Teflon gasket for valve
Part Number: P6015 |
|||
| PRO500-4 | 15 | Spring steam/hot water valve
Part Number: B5471532 |
|||
| PRO500-4 | 16 | Ball steam/hot water valve
Part Number: B5220606 |
|||
| PRO500-4 | 18 | Seal OR steam nozzle
Part Number: B7496083 |
|||
| PRO500-4 | 19 | Nut steam/hot water wand
Part Number: C277700213 |
|||
| PRO500-4 | 20 | Seal OR 115 EP856
Part Number: B7496073 |
|||
| PRO500-4 | 23 | Seal OR steam nozzle
Part Number: B7496083 |
|||
| PRO500-4 | 24 | Steam nozzle 4 holes
Part Number: P2542 |
|||
| PRO500-4 | 25 | Steam wand "no-burn"
Part Number: P2541 |
|||
| PRO500-4 | 27 | Silicon hose
Part Number: P2549 |
|||
| PRO500-4 | 28 | Nut (half) 1/4"
Part Number: C329900682 |
|||
| PRO500-4 | 29 | Sprayer
Part Number: C229900536 |
|||
| PRO500-4 | 31 | Aerator
Part Number: P6001.2 |
|||
| PRO500-4 | 33 | Hot water wand "no-burn"
Part Number: P2540 |
|||
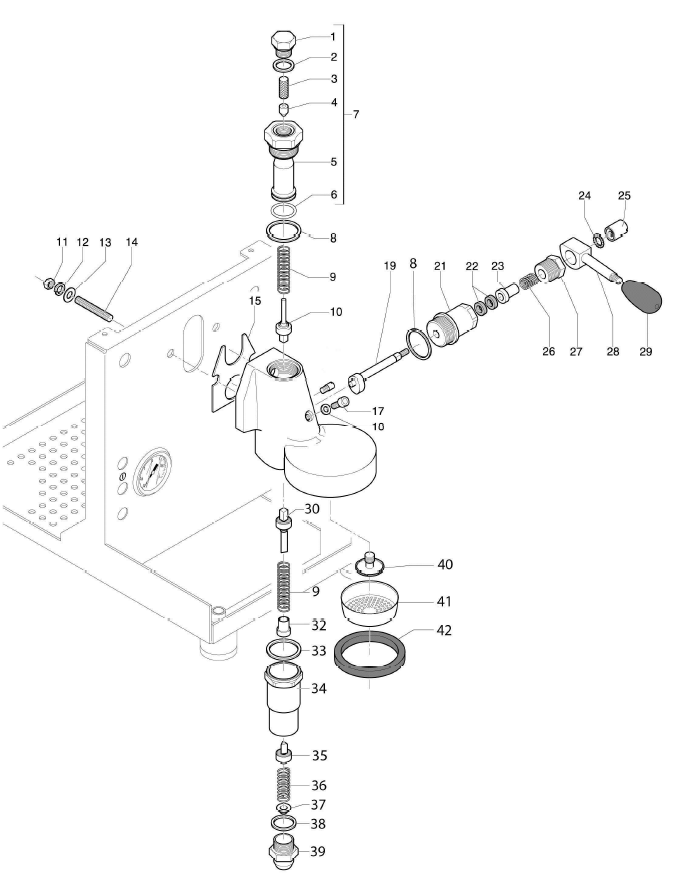
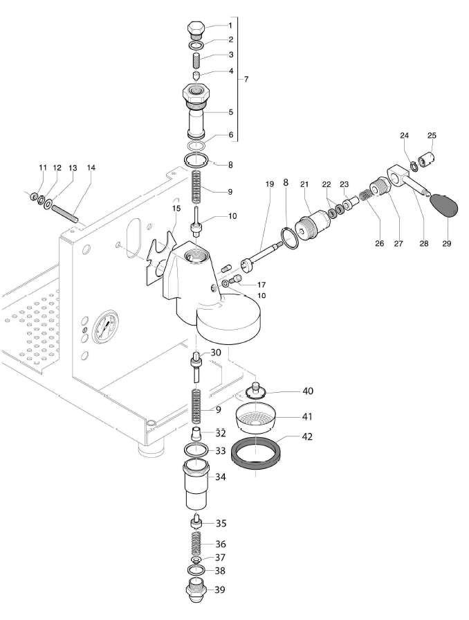
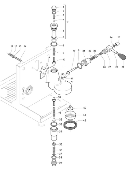
| PRO500-5 | 1 | Upper fitting group cylinder
Part Number: R000002141 |
|||
| PRO500-5 | 2 | Gasket plug flow restrictor
Part Number: C469900420 |
|||
| PRO500-5 | 3 | Inox filter 0,8
Part Number: C619900554 |
|||
| PRO500-5 | 4 | Flow restrictor 0,8
Part Number: C229900549 |
|||
| PRO500-5 | 5 | Upper sleave assy
Part Number: C229901133 |
|||
| PRO500-5 | 6 | Gasket socket brew group
Part Number: C469900422 |
|||
| PRO500-5 | 7 | Socket brew group complett
Part Number: C229901133.K |
|||
| PRO500-5 | 8 | Gasket axis 35x30x2
Part Number: C469900421 |
|||
| PRO500-5 | 9 | Spring
Part Number: C219900423 |
|||
| PRO500-5 | 10 | Valve group E61 upper
Part Number: C219900424 |
|||
| PRO500-5 | 11 | Hex nut M8 V2
Part Number: C309900127 |
|||
| PRO500-5 | 12 | Washer open 0,8
Part Number: P2011 |
|||
| PRO500-5 | 13 | Washer 0,8
Part Number: P2010 |
|||
| PRO500-5 | 14 | Allen screw M8x31 ASTM a193
Part Number: C309900131 |
|||
| PRO500-5 | 15 | Housing gasket brew group
Part Number: C449900767 |
|||
| PRO500-5 | 17 | Screw cylinder M6x10
Part Number: C309900164 |
|||
| PRO500-5 | 18 | Teflon gasket 10x6x1
Part Number: C469901132 |
|||
| PRO500-5 | 19 | Axis group E61
Part Number: C219900425 |
|||
| PRO500-5 | 21 | Flange
Part Number: R000002142 |
|||
| PRO500-5 | 22 | Washer axis assembly E61
Part Number: C219900426 |
|||
| PRO500-5 | 23 | Connector
Part Number: R000002143 |
|||
| PRO500-5 | 24 | Lock washer
Part Number: B7479947 |
|||
| PRO500-5 | 25 | Bolt lever
Part Number: R000002146 |
|||
| PRO500-5 | 26 | Spring axis group
Part Number: C219900427 |
|||
| PRO500-5 | 27 | Screw joint axis group
Part Number: R000002144 |
|||
| PRO500-5 | 28 | Lever axis group upper w/bolt
Part Number: R000002145 |
|||
| PRO500-5 | 29 | Lever knob
Part Number: C439900840 |
|||
| PRO500-5 | 30 | Valve group E61 middle
Part Number: C219903081 |
|||
| PRO500-5 | 31 | Spring guide group
Part Number: B7479942 |
|||
| PRO500-5 | 32 | Gasket axis group
Part Number: C469900421 |
|||
| PRO500-5 | 33 | Lower sleeve assembly
Part Number: C229901165 |
|||
| PRO500-5 | 34 | Valve group E61 lower
Part Number: C219900430 |
|||
| PRO500-5 | 36 | Spring lower
Part Number: C219900431 |
|||
| PRO500-5 | 37 | Sprayer brew group lower
Part Number: R000002148 |
|||
| PRO500-5 | 38 | Teflon gasket for valve
Part Number: C469900783 |
|||
| PRO500-5 | 39 | Lower discharge group
Part Number: R000002149 |
|||
| PRO500-5 | 40 | Sprayer brew group
Part Number: C229901128 |
|||
| PRO500-5 | 41 | Shower screen
Part Number: C519900103 |
|||
| PRO500-6 | 1 | Bipolar switch lever
Part Number: C199900087 |
|||
| PRO500-6 | 2 | Orange controllamp
Part Number: B7633617 |
|||
| PRO500-6 | 3 | Green controllamp
Part Number: B7633618 |
|||
| PRO500-6 | 4 | Microswitch
Part Number: C199900306 |
|||
| PRO500-6 | 5 | Screw zylinder M5x10
Part Number: P2007 |
|||
| PRO500-6 | 6 | Bracket control box
Part Number: P3005 |
|||
| PRO500-6 | 7 |
|
Screw zylinder M4x10 A2 Part Number: P2006 |
$5.41 | View Part |
| PRO500-6 | 8 | Controlbox 15. pol 230V
Part Number: M2004 |
|||
| PRO500-6 | 8 | Controlbox 15 pol. 115V
Part Number: US1004 |
|||
| PRO500-6 | 9 | Cable-press
Part Number: C439900086 |
|||
| PRO500-6 | 10 | Cable with Schuko plug
Part Number: C199900957 |
|||
| PRO500-6 | 10 | Cable with US plug
Part Number: P2034 |
|||
| PRO500-6 | 10 | Cable with UK plug
Part Number: P2035 |
|||
| PRO500-6 | 10 | Cable with AU plug
Part Number: P2036 |
|||
| PRO500-6 | 11 | Cableloom for 15.pol controlbox
Part Number: P2012 |
|||
| PRO500-7 | 1 | Cleaning brush for shower screen
Part Number: R210 |
|||
| PRO500-7 | 2 | Measuring spoon
Part Number: C639900710 |
|||
| PRO500-7 | 4 | Tamper plastics
Part Number: C639900764 |
|||
| PRO500-7 | 5 | Filter 7g
Part Number: C619900104 |
|||
| PRO500-7 | 6 | Blind filter
Part Number: C619900106 |
|||
| PRO500-7 | 7 | Filter 14g
Part Number: C619900105 |
|||
| PRO500-7 | 11 | Filter holder 2 spouts
Part Number: C699900234 |
|||
| PRO500-7 | 12 | Filter holder 1 spout
Part Number: C699900233 |
USA







