Rocket Espresso Faustino Grinder Part Diagram REFAUSTINO
This is the Rocket Espresso Faustino Grinder Part Diagram REFAUSTINO. In the list below, you will find all the parts associated with the diagram that are available. Use the parts diagram to determine the part(s) you need.
If the part listed below is not viewable then we do not carry it at this time. However, if your machine is currently in production we are likely able to acquire the part directly from the manufacturer. In this case, contact us by submitting a support ticket. Please be advised that it may take up to eight weeks for us to receive the part from the manufacturer.
Please note: Parts are neither returnable nor refundable. If you need assistance selecting a part for your machine, please contact us.
| Diagram # | Pos # | Image | Description | Price |
|---|
| Diagram # | Pos # | Image | Description | Price | |
|---|---|---|---|---|---|
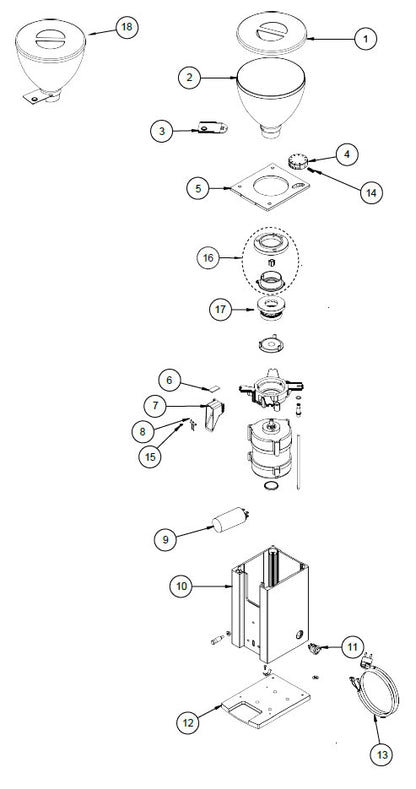
| REFAUSTINO-1 | 1 | LID
Part Number: R039907745 |
|||
| REFAUSTINO-1 | 2 | HOPPER
Part Number: R039907750 |
|||
| REFAUSTINO-1 | 3 | FLAP DOOR
Part Number: R039907751 |
|||
| REFAUSTINO-1 | 4 | REGULATION KNOB
Part Number: R819907748 |
|||
| REFAUSTINO-1 | 5 | COPPER COVER
Part Number: R019907747 |
|||
| REFAUSTINO-1 | 6 | ADHESIVE GASKET
Part Number: R049907756 |
|||
| REFAUSTINO-1 | 7 | COFFEE EXIT SLIDE
Part Number: R039907757 |
|||
| REFAUSTINO-1 | 8 | COMPACTOR SHEET
Part Number: R039907758 |
|||
| REFAUSTINO-1 | 9 | CAPACITOR 220-240V/50-60Hz
Part Number: R019907759 |
|||
| REFAUSTINO-1 | CAPACITOR 110V 60Hz
Part Number: R019907760 |
||||
| REFAUSTINO-1 | 10 | BODY Black
Part Number: R019907761 |
|||
| REFAUSTINO-1 | BODY Chrome
Part Number: R017707762 |
||||
| REFAUSTINO-1 | BODY Chrome/white
Part Number: R087707763 |
||||
| REFAUSTINO-1 | BODY Chrome/copper
Part Number: R017707764 |
||||
| REFAUSTINO-1 | 11 | SWITCH
Part Number: R039907765 |
|||
| REFAUSTINO-1 | 12 | BASE GROUP
Part Number: R019907766 |
|||
| REFAUSTINO-1 | 13 | POWER PLUG SCHUKO
Part Number: R089907767 |
|||
| REFAUSTINO-1 | POWER PLUG USA
Part Number: R089907768 |
||||
| REFAUSTINO-1 | POWER PLUG UK
Part Number: R089907769 |
||||
| REFAUSTINO-1 | POWER PLUG SW
Part Number: R089907770 |
||||
| REFAUSTINO-1 | POWER PLUG AUS
Part Number: R089907771 |
||||
| REFAUSTINO-1 | POWER PLUG ISR
Part Number: R089907772 |
||||
| REFAUSTINO-1 | 14 | GRAIN FIXING
Part Number: R319907773 |
|||
| REFAUSTINO-1 | 15 | EXITE SLIDE SCREW
Part Number: R319907774 |
|||
| REFAUSTINO-1 | 16 | KIT RING
Part Number: R019907749 |
|||
| REFAUSTINO-1 | 17 | KIT BURRS
Part Number: R019907909 |
|||
| REFAUSTINO-1 | 18 | KIT HOPPER
Part Number: R039907746 |
|||
| REFAUSTINO-2 | 1 | DISPLAY
Part Number: R130007794 |
|||
| REFAUSTINO-2 | 2 | FUNNEL SUPPORT
Part Number: R017707796 |
|||
| REFAUSTINO-2 | 3 | DOSING FUNNEL
Part Number: R017707795 |
|||
| REFAUSTINO-2 | 4 | FORK FUNNEL
Part Number: R017707797 |
|||
| REFAUSTINO-2 | 5 | CABLES
Part Number: R190007801 |
|||
| REFAUSTINO-2 | 6 | POWER BOARD 220-240V/50-60Hz
Part Number: R190007798 |
|||
| REFAUSTINO-2 | POWER BOARD 110V/60Hz
Part Number: R190007799 |
||||
| REFAUSTINO-2 | 7 | KIT SCREWS
Part Number: R300007800 |
USA


