Rocket Espresso Giotto Evoluzione V2 Part Diagram REGIOEVO
This is the Rocket Espresso Giotto Evoluzione V2 Part Diagram REGIOEVO. In the list below, you will find all the parts associated with the diagram that are available. Use the parts diagram to determine the part(s) you need.
If the part listed below is not viewable then we do not carry it at this time. However, if your machine is currently in production we are likely able to acquire the part directly from the manufacturer. In this case, contact us by submitting a support ticket. Please be advised that it may take up to eight weeks for us to receive the part from the manufacturer.
Please note: Parts are neither returnable nor refundable. If you need assistance selecting a part for your machine, please contact us.
| Diagram # | Pos # | Image | Description | Price |
|---|
| Diagram # | Pos # | Image | Description | Price | |
|---|---|---|---|---|---|
| REGIOEVO-1 | 1 | Chassis Part Number: A009905128 SKU: 23363 |
$127.82 | View Part | |
| REGIOEVO-1 | 2 | Foot 40mm Part Number: A019904282 SKU: 20976 |
$17.48 | View Part | |
| REGIOEVO-1 | 3 | Water tank guide support Part Number: A009904908 SKU: 25181 |
$24.80 | View Part | |
| REGIOEVO-1 | 4 | Washer Part Number: A309904532 SKU: 24941 |
$5.22 | View Part | |
| REGIOEVO-1 | 5 | Screw 4 x 12 Part Number: A319904606 SKU: 23436 |
$5.18 | View Part | |
| REGIOEVO-1 | 6 | Drain bucket Part Number: A439904913 SKU: 20968 |
$8.70 | View Part | |
| REGIOEVO-1 | 7 | Drip tray Part Number: R01L005126 SKU: 23427 |
$223.88 | View Part | |
| REGIOEVO-1 | 8 | 1/8 Half Nut
Part Number: A329904369 |
|||
| REGIOEVO-1 | 9 | Screw 3 x 8
Part Number: A319904348 |
|||
| REGIOEVO-1 | 10 |
|
Grid Part Number: A019904346 SKU: 20981 |
$39.80 | View Part |
| REGIOEVO-1 | 11 |
|
Drip tray plug Part Number: A229904512 SKU: 23433 |
$11.84 | View Part |
| REGIOEVO-1 | 13 | OR 2031
Part Number: C449900702 |
|||
| REGIOEVO-1 | 15 |
|
Front panel Part Number: A01I004629 SKU: 23288 |
$83.89 | View Part |
| REGIOEVO-1 | 16 | Green led control lamp
Part Number: A139904519 |
|||
| REGIOEVO-1 | 17 | Stainless steel switch
Part Number: A199904992 |
|||
| REGIOEVO-1 | 18 | Nut
Part Number: A529904989 |
|||
| REGIOEVO-1 | 19 | Connector
Part Number: A227704363 |
|||
| REGIOEVO-1 | 20 |
|
Boiler pressure gauge black Part Number: A299905009 SKU: 23422 |
$64.28 | View Part |
| REGIOEVO-1 | 21 |
|
Pump pressure gauge black Part Number: A299905010 SKU: 23423 |
$70.21 | View Part |
| REGIOEVO-1 | 22 | Front tag
Part Number: A859904513 |
|||
| REGIOEVO-1 | 23 | Screw
Part Number: A319904306 |
|||
| REGIOEVO-1 | 24 | Microswitch
Part Number: C199900306 |
|||
| REGIOEVO-1 | 25 | Rubber connector
Part Number: C449900709 |
|||
| REGIOEVO-1 | 26 | Side panel
Part Number: C01L002109 |
|||
| REGIOEVO-1 | 27 | Rear tag
Part Number: A859904400 |
|||
| REGIOEVO-1 | 28 | Screw
Part Number: A309904530 |
|||
| REGIOEVO-1 | 29 | Tank guide
Part Number: A019904451 |
|||
| REGIOEVO-1 | 30 | Switch for water connection
Part Number: A190004590 |
|||
| REGIOEVO-1 | 31 | Switch for water connection support
Part Number: A019904477 |
|||
| REGIOEVO-1 | 32 | Cups support panel
Part Number: C01L004246 |
|||
| REGIOEVO-1 | 33 | Screw
Part Number: A319904431 |
|||
| REGIOEVO-1 | 34 | Reservoir cover complete
Part Number: R01L000382 |
|||
| REGIOEVO-1 | 36 | Cupsframe
Part Number: A630004286 |
|||
| REGIOEVO-1 | 37 | Back panel
Part Number: C01L004255 |
|||
| REGIOEVO-1 | 38 | Power cord CE
Part Number: C199900957 |
|||
| REGIOEVO-1 | Power cord IS
Part Number: A199904518 |
||||
| REGIOEVO-1 | Power cord KR
Part Number: A199904616 |
||||
| REGIOEVO-1 | Power cord UL
Part Number: C199900958 |
||||
| REGIOEVO-1 | Power cord AUS/NZ
Part Number: C199901115 |
||||
| REGIOEVO-1 | Power cord GB
Part Number: C199901116 |
||||
| REGIOEVO-1 | Power cord CH
Part Number: C199901510 |
||||
| REGIOEVO-1 | 39 | Cable retainer
Part Number: C439900086 |
|||
| REGIOEVO-1 | 40 | Wiring loom
Part Number: A199905070 |
|||
| REGIOEVO-1 | 41 | 3/8 M -1/8 M Connector
Part Number: A229904374 |
|||
| REGIOEVO-1 | 3/8 F-1/8 M Connector
Part Number: A229905211 Notes: USA |
||||
| REGIOEVO-1 | 3/8 M -9/16 M Connector
Part Number: A229905212 Notes: USA |
||||
| REGIOEVO-1 | 42 | Flexible pipe
Part Number: A299904390 |
|||
| REGIOEVO-1 | 43 | Water inlet connector
Part Number: A220004313 |
|||
| REGIOEVO-1 | 44 | Connector
Part Number: A229904349 |
|||
| REGIOEVO-1 | 45 | Connector
Part Number: A229904445 |
|||
| REGIOEVO-1 | 46 | Teflon gasket 1/8
Part Number: A469904549 |
|||
| REGIOEVO-1 | 47 | 1/8 Plug
Part Number: A229904548 |
|||
| REGIOEVO-2 | 1 | Rounded nut
Part Number: A229904391 |
|||
| REGIOEVO-2 | 2 | Gasket
Part Number: C469900420 |
|||
| REGIOEVO-2 | 3 | Filter
Part Number: C619900554 |
|||
| REGIOEVO-2 | 4 | Restrictor 0,8
Part Number: C229900549 |
|||
| REGIOEVO-2 | 5 | Group Shaft
Part Number: C229901133 |
|||
| REGIOEVO-2 | 6 | Green gasket
Part Number: C469900422 |
|||
| REGIOEVO-2 | 7 | Teflon gasket
Part Number: C469900421 |
|||
| REGIOEVO-2 | 8 | Spring
Part Number: C219900423 |
|||
| REGIOEVO-2 | 9 | Valve assembly
Part Number: C219900424 |
|||
| REGIOEVO-2 | 10 | Gasket
Part Number: C449900767 |
|||
| REGIOEVO-2 | 11 | Shaft
Part Number: C219900425 |
|||
| REGIOEVO-2 | 12 | Group complete
Part Number: C200002983 Notes: parts n.10-23-24 not included |
|||
| REGIOEVO-2 | 13 | Flange
Part Number: R000002142 |
|||
| REGIOEVO-2 | 14 | Gasket
Part Number: C219900426 |
|||
| REGIOEVO-2 | 15 | Support
Part Number: R000002143 |
|||
| REGIOEVO-2 | 16 | Spring
Part Number: C219900427 |
|||
| REGIOEVO-2 | 17 | Cover
Part Number: R000002144 |
|||
| REGIOEVO-2 | 18 | Shaft
Part Number: R000002145 |
|||
| REGIOEVO-2 | 19 | Lever shaft
Part Number: A829904329 |
|||
| REGIOEVO-2 | 20 | Group handle
Part Number: A839904330 |
|||
| REGIOEVO-2 | 21 | Pin
Part Number: R000002146 |
|||
| REGIOEVO-2 | 22 | Diffuser
Part Number: C229901228 |
|||
| REGIOEVO-2 | 23 | Shower
Part Number: C519900103 |
|||
| REGIOEVO-2 | 24 | Group Gasket
Part Number: C449900229 |
|||
| REGIOEVO-2 | 25 | Drain valve
Part Number: C219900430 |
|||
| REGIOEVO-2 | 26 | Spring
Part Number: A219904309 |
|||
| REGIOEVO-2 | 27 | Cylinder
Part Number: C229901165 |
|||
| REGIOEVO-2 | 28 | Valve
Part Number: C219903081 |
|||
| REGIOEVO-2 | 29 | Spring
Part Number: C219900431 |
|||
| REGIOEVO-2 | 30 | Connector
Part Number: R000002148 |
|||
| REGIOEVO-2 | 31 | Gasket
Part Number: C469900783 |
|||
| REGIOEVO-2 | 32 | Connector
Part Number: R000002149 |
|||
| REGIOEVO-2 | 33 | Single filter holder
Part Number: A699904324 |
|||
| REGIOEVO-2 | 34 | Double filter holder
Part Number: A699904325 |
|||
| REGIOEVO-2 | 35 | 7 gr filter basket
Part Number: C610003902 |
|||
| REGIOEVO-2 | 36 | 14 gr filter basket
Part Number: C610003901 |
|||
| REGIOEVO-2 | 37 | Blind filter
Part Number: C619900106 |
|||
| REGIOEVO-3 | 1 | Boiler
Part Number: A277704278 |
|||
| REGIOEVO-3 | 2 | Copper gasket
Part Number: C479900673 |
|||
| REGIOEVO-3 | 3 | Connector
Part Number: C229900740 |
|||
| REGIOEVO-3 | 4 | Injector
Part Number: C229900393 |
|||
| REGIOEVO-3 | 5 | Connector
Part Number: A229904355 |
|||
| REGIOEVO-3 | 6 | Inlet pipe D. 3
Part Number: A279905173 |
|||
| REGIOEVO-3 | 7 | Boiler protection
Part Number: A499905058 |
|||
| REGIOEVO-3 | 8 | Connector
Part Number: A229904957 |
|||
| REGIOEVO-3 | 9 | Connector
Part Number: C229900528 |
|||
| REGIOEVO-3 | 10 | Teflon gasket
Part Number: A269904417 |
|||
| REGIOEVO-3 | 11 | Vacuum breaker valve
Part Number: C219900560 |
|||
| REGIOEVO-3 | 12 | Teflon gasket
Part Number: A449904331 |
|||
| REGIOEVO-3 | 13 | Safety valve CONV.
Part Number: A299904998 |
|||
| REGIOEVO-3 | 14 | Thermostat 135C
Part Number: C199901550 |
|||
| REGIOEVO-3 | 15 | Boiler level probe
Part Number: C199900839 |
|||
| REGIOEVO-3 | 16 | Pressure switch
Part Number: A199904296 |
|||
| REGIOEVO-3 | 17 | Connector
Part Number: C229900525 |
|||
| REGIOEVO-3 | 18 | Pressure switch pipe
Part Number: A279904292 |
|||
| REGIOEVO-3 | 19 | Heating element gasket
Part Number: C469900239 |
|||
| REGIOEVO-3 | 20 | Heating element V230
Part Number: C199901551 |
|||
| REGIOEVO-3 | 20A | Heating element V115
Part Number: C199901552 |
|||
| REGIOEVO-3 | 21 | Return pipe
Part Number: A279904289 |
|||
| REGIOEVO-3 | 22 | Connector
Part Number: A229904445 |
|||
| REGIOEVO-3 | 23 | Screw
Part Number: A319904926 |
|||
| REGIOEVO-3 | 24 | Copper gasket 3/8
Part Number: C479900673 |
|||
| REGIOEVO-3 | 25 | Pressure switch support
Part Number: C000004265 |
|||
| REGIOEVO-3 | 26 | Steam pipe
Part Number: A279904290 |
|||
| REGIOEVO-3 | 27 | Connector
Part Number: C229900520 |
|||
| REGIOEVO-3 | 28 | Water pipe
Part Number: A229905097 Notes: from Sn D1223 |
|||
| REGIOEVO-3 | 28A | Water pipe
Part Number: A279904291 Notes: till Sn D1223 |
|||
| REGIOEVO-3 | 28B | Connector
Part Number: C229900595 Notes: to be used with 28A |
|||
| REGIOEVO-3 | 29 | Boiler support
Part Number: A009904906 |
|||
| REGIOEVO-3 | 30 | Boiler support
Part Number: A009904907 |
|||
| REGIOEVO-4 | 1 | Half nut 1/4
Part Number: A329905087 |
|||
| REGIOEVO-4 | 2 | Steam/ Hot water valve
Part Number: A227704280 Notes: till Sn D1224G2V3181 |
|||
| REGIOEVO-4 | Steam/ Hot water valve
Part Number: A229905055 Notes: from Sn D1224G2V3181 |
||||
| REGIOEVO-4 | 3 | Steam/water valve handle
Part Number: A430004284 |
|||
| REGIOEVO-4 | 4 | Plate
Part Number: A829904376 |
|||
| REGIOEVO-4 | 5 | Washer
Part Number: A829904375 |
|||
| REGIOEVO-4 | 6 | Handle clip
Part Number: A809904377 |
|||
| REGIOEVO-4 | 7 | Oring
Part Number: C400002786 |
|||
| REGIOEVO-4 | 8 | Cover handle
Part Number: A527704283 |
|||
| REGIOEVO-4 | 9 | Teflon gasket
Part Number: A449904331 |
|||
| REGIOEVO-4 | 10 | Spring
Part Number: A209904332 |
|||
| REGIOEVO-4 | 11 | Plate
Part Number: A229904333 |
|||
| REGIOEVO-4 | 12 | Oring
Part Number: C400002022 |
|||
| REGIOEVO-4 | 13 | Oring
Part Number: A449904334 |
|||
| REGIOEVO-4 | 14 | 2 Holes steam nozzle
Part Number: C200002839 |
|||
| REGIOEVO-4 | 15 | Oring
Part Number: C400003008 |
|||
| REGIOEVO-4 | 16 | Hot water nozzle
Part Number: C227700536 |
|||
| REGIOEVO-4 | 17 | Hot water wand
Part Number: R290003612 |
|||
| REGIOEVO-4 | 18 | Steam wand
Part Number: R290003611 |
|||
| REGIOEVO-4 | 19 | Steam wand and tap complete
Part Number: A899904634 |
|||
| REGIOEVO-4 | 20 | Water wand and tap complete
Part Number: A899904635 |
|||
| REGIOEVO-4 | 21 | Steam/hot water valve rod
Part Number: R229905177 |
|||
| REGIOEVO-4 | 22 | Silicon pipe 4x7 no burn
Part Number: C440003449 |
|||
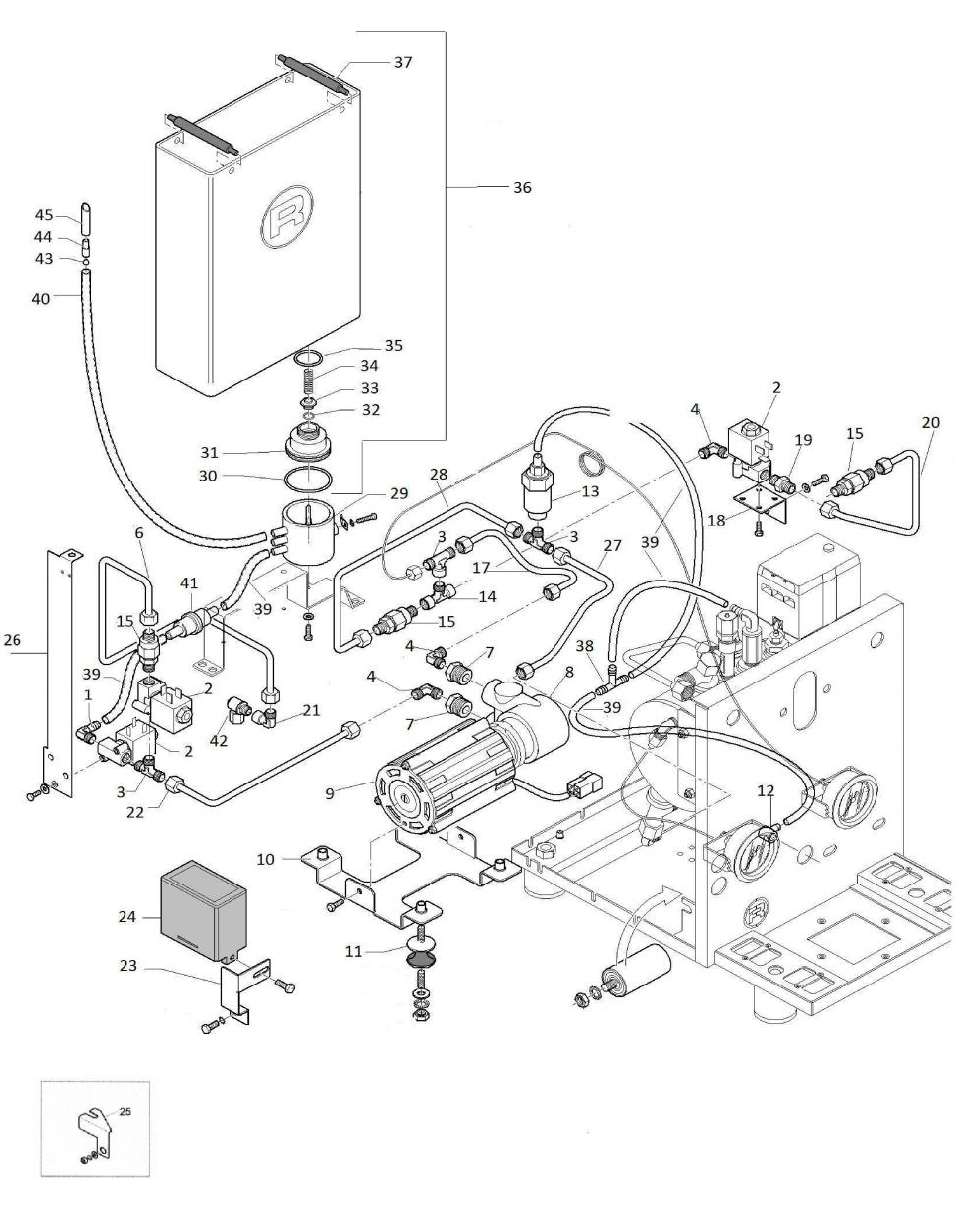
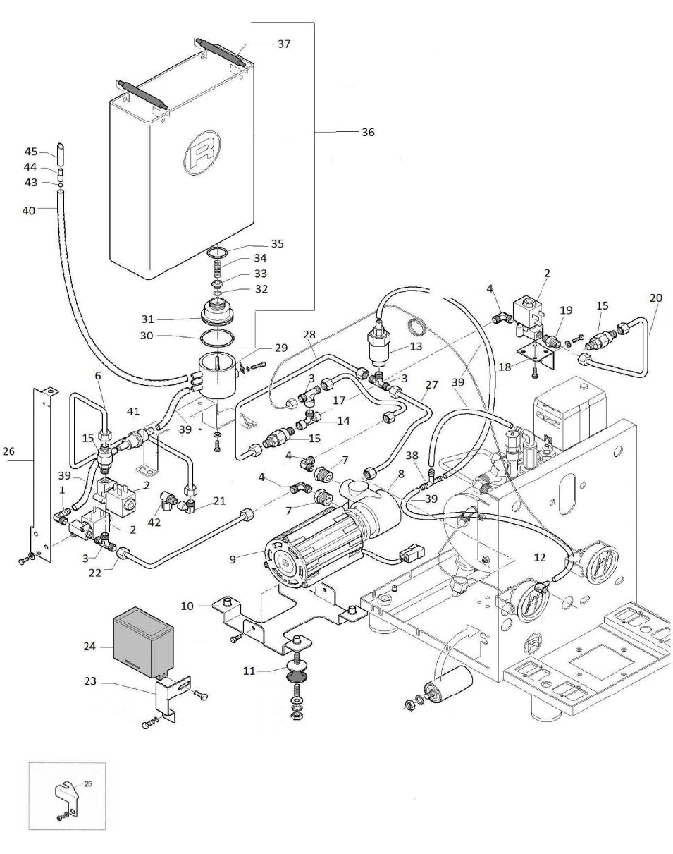
| REGIOEVO-5 | 1 | Silicon pipe holder
Part Number: A229904511 |
|||
| REGIOEVO-5 | 2 | Solenoid valve V230
Part Number: C190004066 |
|||
| REGIOEVO-5 | 2A | Solenoid valve V115
Part Number: C190004067 |
|||
| REGIOEVO-5 | 3 | T Connector 1/8 MMM
Part Number: A229904358 |
|||
| REGIOEVO-5 | 4 | L Connector 1/8 MM
Part Number: A229904355 |
|||
| REGIOEVO-5 | 6 | Pipe
Part Number: A279904924 |
|||
| REGIOEVO-5 | 7 | Reduction 3/8 M 1/8 F
Part Number: A229904356 |
|||
| REGIOEVO-5 | 8 | Rotary pump
Part Number: A299904342 |
|||
| REGIOEVO-5 | 9 | Pump motor V230-240/220
Part Number: A199904493 |
|||
| REGIOEVO-5 | 9A | Pump motor V110/115
Part Number: A199904494 |
|||
| REGIOEVO-5 | 10 | Motor support
Part Number: A009904447 |
|||
| REGIOEVO-5 | 11 | Anti-vibration foot
Part Number: A499904364 |
|||
| REGIOEVO-5 | 12 | Rubber connector
Part Number: C449900709 |
|||
| REGIOEVO-5 | 13 | Expansion valve
Part Number: C229900911 |
|||
| REGIOEVO-5 | 14 | Connector
Part Number: C229900703 |
|||
| REGIOEVO-5 | 15 | Non return valve
Part Number: C229900540 |
|||
| REGIOEVO-5 | 17 | Pipe
Part Number: A279904920 |
|||
| REGIOEVO-5 | 18 | Solenoid valve support
Part Number: A019904448 |
|||
| REGIOEVO-5 | 19 | Connector
Part Number: C229900518 |
|||
| REGIOEVO-5 | 20 | Pipe
Part Number: A279904921 |
|||
| REGIOEVO-5 | 21 | Connector
Part Number: A229904445 |
|||
| REGIOEVO-5 | 22 | Pipe
Part Number: A279904919 |
|||
| REGIOEVO-5 | 23 | Control box support
Part Number: A019904449 |
|||
| REGIOEVO-5 | 24 | Control box V230
Part Number: A190004524 |
|||
| REGIOEVO-5 | 24A | Control box V115
Part Number: A190004525 |
|||
| REGIOEVO-5 | 25 | Support
Part Number: A019904520 Notes: only for 115V machines |
|||
| REGIOEVO-5 | 26 | Pipe support
Part Number: C010003852 |
|||
| REGIOEVO-5 | 27 | Pipe
Part Number: A279904922 |
|||
| REGIOEVO-5 | 28 | Pipe
Part Number: A279904923 |
|||
| REGIOEVO-5 | 29 | Manifold
Part Number: A439905148 Notes: from S.No. D1314C2V1848 |
|||
| REGIOEVO-5 | 29A | Manifold
Part Number: A439904347 Notes: till S. No. D1314C2V1848 |
|||
| REGIOEVO-5 | 29B | Opening valve rod
Part Number: C520003483 Notes: to be used with 29A and 29C |
|||
| REGIOEVO-5 | 29C | O ring
Part Number: C449901159 Notes: to be used with 29A and 29B |
|||
| REGIOEVO-5 | 30 | O ring
Part Number: A449904547 |
|||
| REGIOEVO-5 | 31 | Coupling
Part Number: A439905146 |
|||
| REGIOEVO-5 | 32 | O ring
Part Number: C449900702 |
|||
| REGIOEVO-5 | 33 | Connector
Part Number: C430003482 |
|||
| REGIOEVO-5 | 34 | Spring
Part Number: C019900711 |
|||
| REGIOEVO-5 | 35 | Oring
Part Number: A449905151 |
|||
| REGIOEVO-5 | 36 | Water tank complete
Part Number: R899905144 |
|||
| REGIOEVO-5 | 37 | Water tank handle
Part Number: A639904956 |
|||
| REGIOEVO-5 | 38 | Rubber connector
Part Number: C400002827 |
|||
| REGIOEVO-5 | 39 | Silicon pipe 5x8
Part Number: C499900769 |
|||
| REGIOEVO-5 | 40 | Silicon pipe 6x9
Part Number: C260003822 |
|||
| REGIOEVO-5 | 41 | Filter
Part Number: C439900695 |
|||
| REGIOEVO-5 | 42 | swivel connector
Part Number: A229904349 |
|||
| REGIOEVO-5 | 43 | Sphere
Part Number: C430003819 |
|||
| REGIOEVO-5 | 44 | Non return connector
Part Number: C220003818 |
|||
| REGIOEVO-5 | 45 | Silicon pipe 4 x 7
Part Number: C400001928 Notes: Price per meter |
USA





