Rocket Espresso R Nine One Part Diagram RERNINEONE
This is the Rocket Espresso R Nine One Part Diagram RERNINEONE. In the list below, you will find all the parts associated with the diagram that are available. Use the parts diagram to determine the part(s) you need.
If the part listed below is not viewable then we do not carry it at this time. However, if your machine is currently in production we are likely able to acquire the part directly from the manufacturer. In this case, contact us by submitting a support ticket. Please be advised that it may take up to eight weeks for us to receive the part from the manufacturer.
Please note: Parts are neither returnable nor refundable. If you need assistance selecting a part for your machine, please contact us.
| Diagram # | Pos # | Image | Description | Price |
|---|
| Diagram # | Pos # | Image | Description | Price | |
|---|---|---|---|---|---|
| RERNINEONE-1 | 1 | Reservoir cover
Part Number: C01L000382 |
|||
| RERNINEONE-1 | 2 | Cups frame
Part Number: M019906209 |
|||
| RERNINEONE-1 | 3 | Cups tray front support
Part Number: M019906212 |
|||
| RERNINEONE-1 | 4 | Right side panel
Part Number: M019906201 |
|||
| RERNINEONE-1 | Right side panel (black)
Part Number: M01B906201 |
||||
| RERNINEONE-1 | 5 | Antivibration mat for pump
Part Number: M449906226 |
|||
| RERNINEONE-1 | 6 | Group Cover
Part Number: M019906216 |
|||
| RERNINEONE-1 | 7 | Drain tray grid
Part Number: M019906192 |
|||
| RERNINEONE-1 | 8 | Drain tray
Part Number: M019906205 |
|||
| RERNINEONE-1 | 9 | O-Ring
Part Number: R8499906343 |
|||
| RERNINEONE-1 | 10 | Foot
Part Number: A05L005755 |
|||
| RERNINEONE-1 | 11 | Front panel
Part Number: M019906214 |
|||
| RERNINEONE-1 | 12 | Left side panel
Part Number: M009906202 |
|||
| RERNINEONE-1 | Left side panel (black)
Part Number: M01B906202 |
||||
| RERNINEONE-1 | 13 | Rear panel
Part Number: M019906203 |
|||
| RERNINEONE-1 | Rear panel (black)
Part Number: M01B906203 |
||||
| RERNINEONE-1 | 14 | Rocket letters black
Part Number: A619905681 |
|||
| RERNINEONE-1 | Rocket letters silver
Part Number: A619905828 |
||||
| RERNINEONE-1 | 15 | Cups tray
Part Number: M019906208 |
|||
| RERNINEONE-1 | 16 |
|
Drip tray plug Part Number: A229904512 |
$11.84 | View Part |
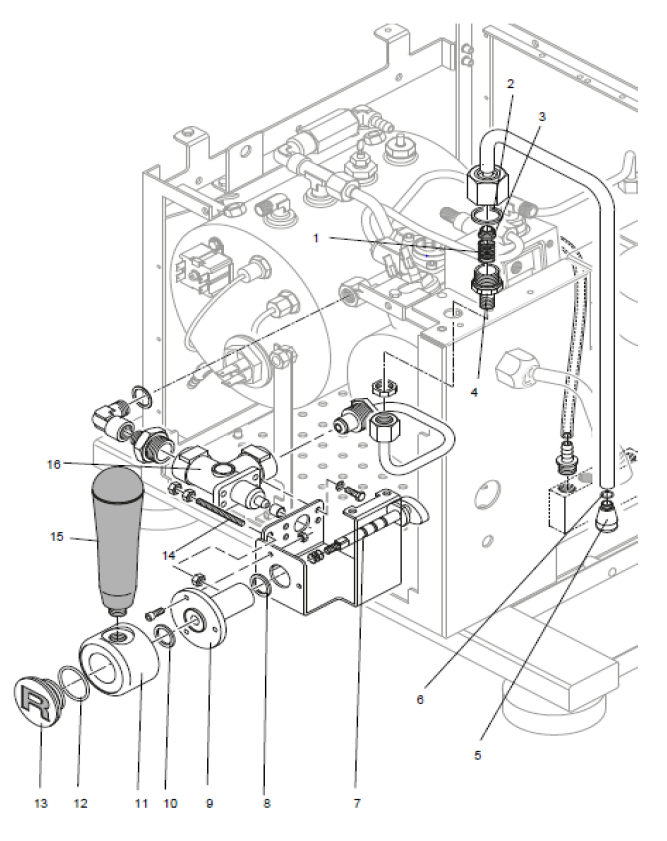
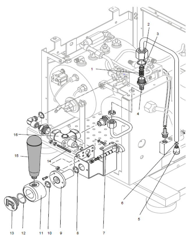
| RERNINEONE-2 | 1 | Dispencing connection pipe
Part Number: M279905830 |
|||
| RERNINEONE-2 | 2 | OR 3187
Part Number: R499905544 |
|||
| RERNINEONE-2 | 3 | Chromed tap
Part Number: A529R04649 |
|||
| RERNINEONE-2 | 4 | OR 3087
Part Number: A449904672 |
|||
| RERNINEONE-2 | 5 | Paddle cover
Part Number: M539906225 |
|||
| RERNINEONE-2 | 6 | Handle shaft
Part Number: M519906220 |
|||
| RERNINEONE-2 | 7 | Paddle handle
Part Number: M639906217 |
|||
| RERNINEONE-2 | 8 | Potentiometer giude shaft
Part Number: M529906222 |
|||
| RERNINEONE-2 | 9 | Potentiometer command shaft
Part Number: M529906223 |
|||
| RERNINEONE-2 | 10 | Upper group flange
Part Number: M219906219 |
|||
| RERNINEONE-2 | 11 | OR 4250
Part Number: M449905837 |
|||
| RERNINEONE-2 | 12 | Two cups competition filter
Part Number: M619906553 |
|||
| RERNINEONE-2 | 13 | One cup competition filter
Part Number: M619906554 |
|||
| RERNINEONE-2 | 14 | Blind filter
Part Number: C619900106 |
|||
| RERNINEONE-2 | 15 | Filter holder 2cup W/filter
Part Number: R699906520 |
|||
| RERNINEONE-2 | 16 | Filter holder 1cup W/filter
Part Number: R699906521 |
|||
| RERNINEONE-2 | 17 | Screw
Part Number: R319905585 |
|||
| RERNINEONE-2 | 18 | Shower foil
Part Number: M619905432 |
|||
| RERNINEONE-2 | 19 | Shower support
Part Number: M229905305 |
|||
| RERNINEONE-2 | 20 | OR
Part Number: R499905544 |
|||
| RERNINEONE-2 | 21 | Group gasket
Part Number: C449900229 |
|||
| RERNINEONE-2 | 22 | Lower group body
Part Number: M219905894 |
|||
| RERNINEONE-2 | 23 | Upper group body
Part Number: M219905895 |
|||
| RERNINEONE-2 | 24 | Bottomless filter holder
Part Number: M699906580 |
|||
| RERNINEONE-2 | 25 | Tamper
Part Number: A999904594 |
|||
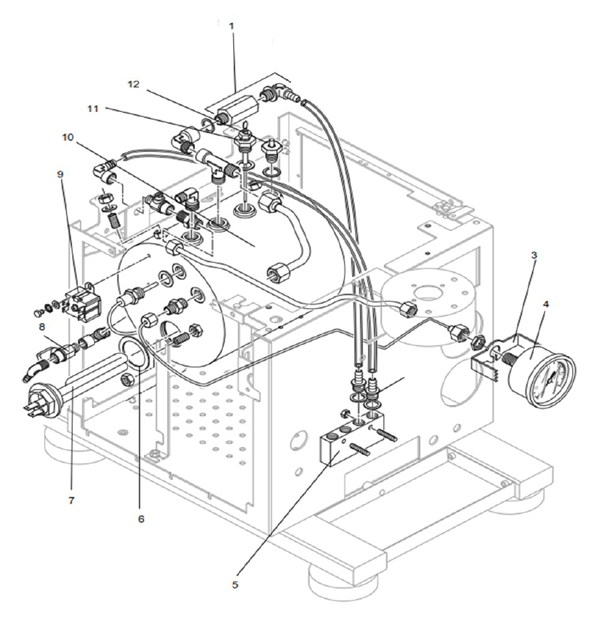
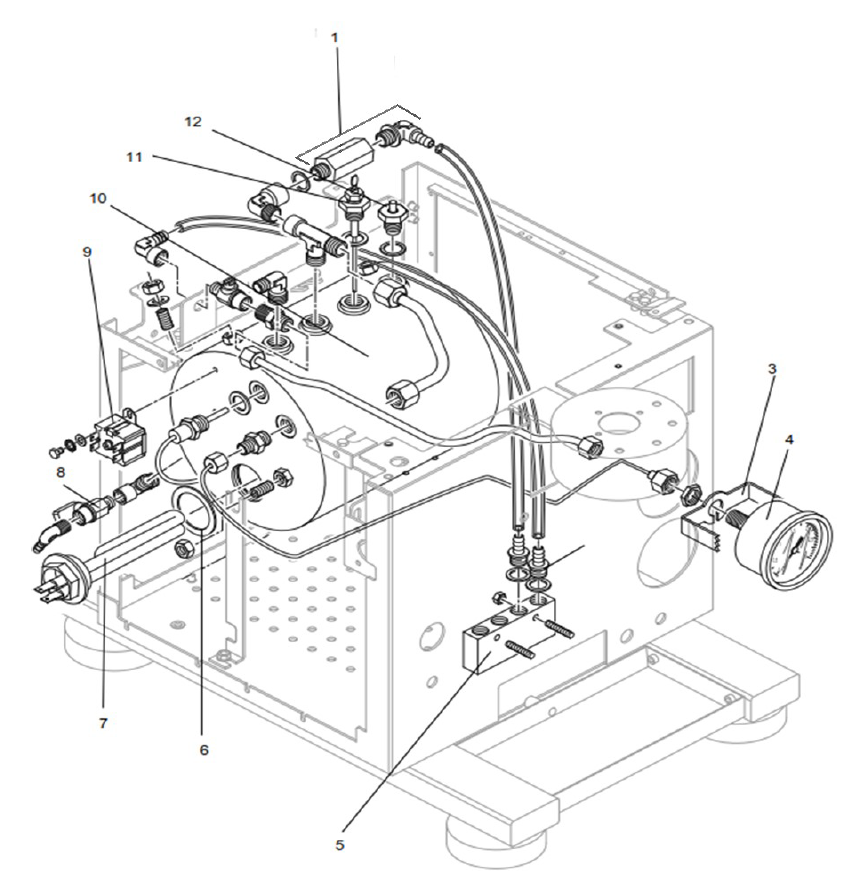
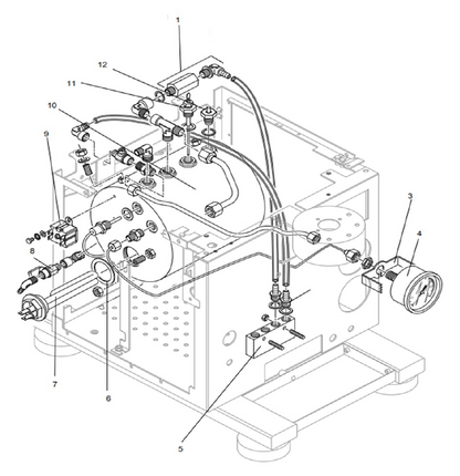
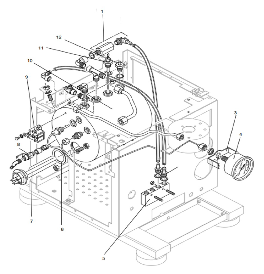
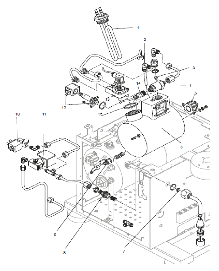
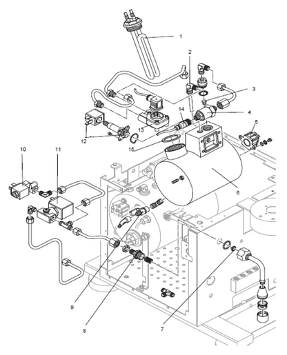
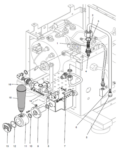
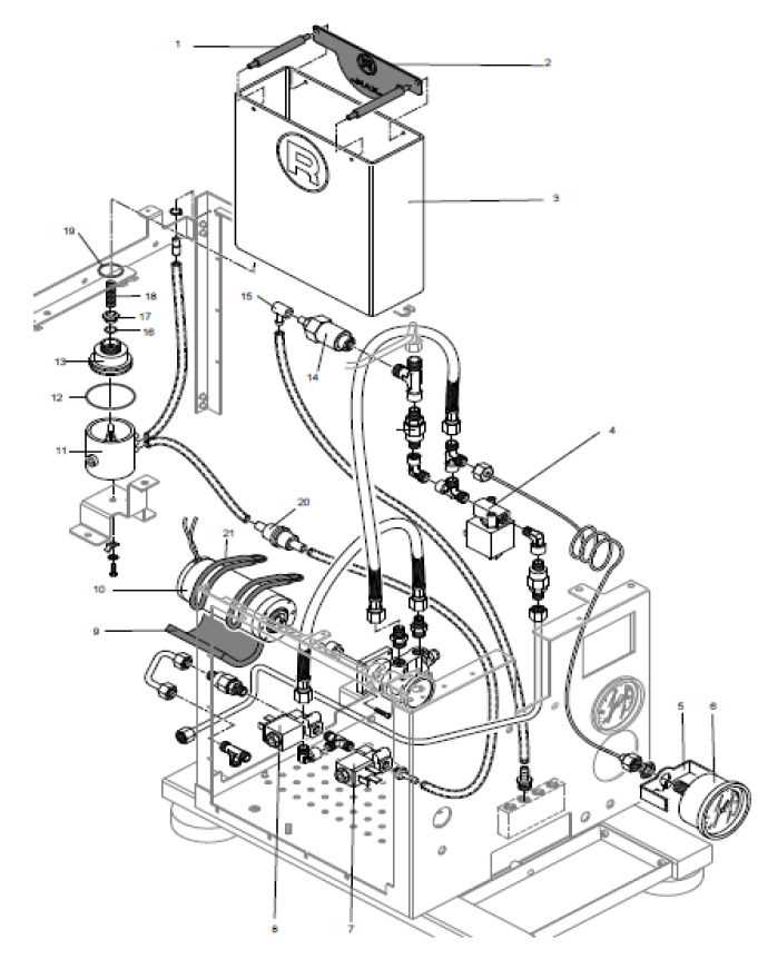
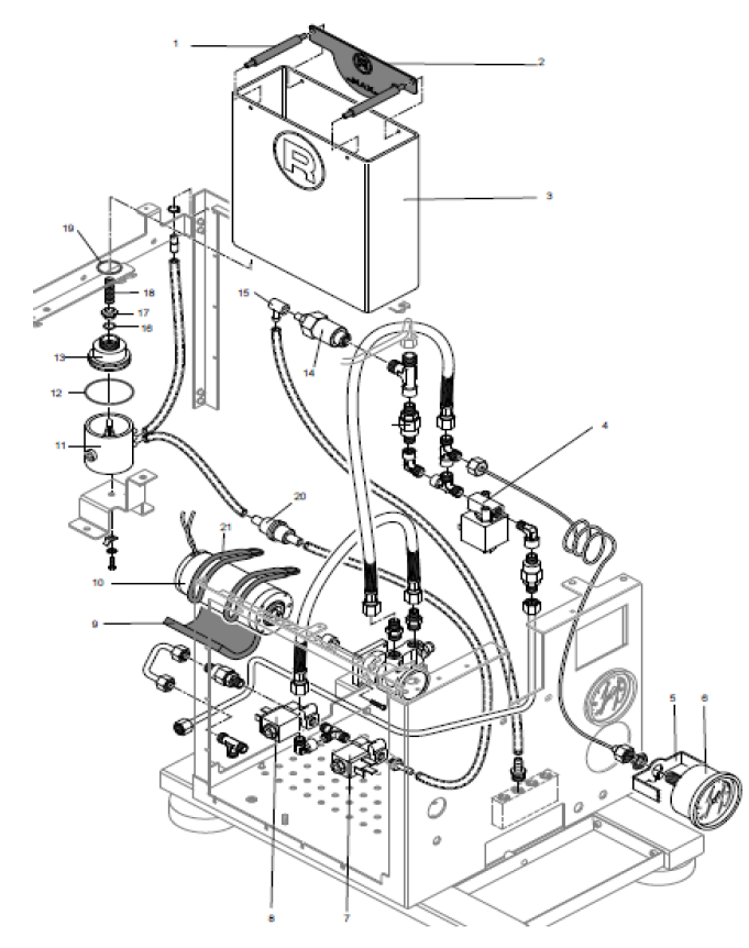
| RERNINEONE-3 | 1 | Safety valve
Part Number: A299904998 |
|||
| RERNINEONE-3 | 3 | Pressure gauge bracket
Part Number: A009905109 |
|||
| RERNINEONE-3 | 4 | Service boiler pressure gauge 0-3 Bar
Part Number: A219906184 |
|||
| RERNINEONE-3 | 5 | Exhaust
Part Number: M529906224 |
|||
| RERNINEONE-3 | 6 | Element Gasket
Part Number: C469900239 |
|||
| RERNINEONE-3 | 7 | Heating element V. 230 - 1.400 W
Part Number: A199905013 |
|||
| RERNINEONE-3 | Heating element V. 115 - 1.400 W
Part Number: A199905014 |
||||
| RERNINEONE-3 | 8 | Tap 1/8 MF
Part Number: A299904998 |
|||
| RERNINEONE-3 | 9 | Safety thermostat 130C
Part Number: M199904767 |
|||
| RERNINEONE-3 | 10 | Service boiler
Part Number: M219906215 |
|||
| RERNINEONE-3 | 11 | Service boiler level probe
Part Number: A199905078 |
|||
| RERNINEONE-3 | 12 | Vacuum breaker valve (Inox)
Part Number: A219905510 |
|||
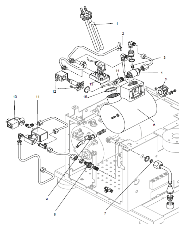
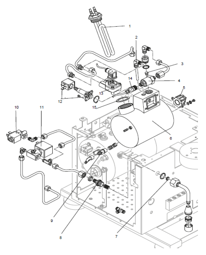
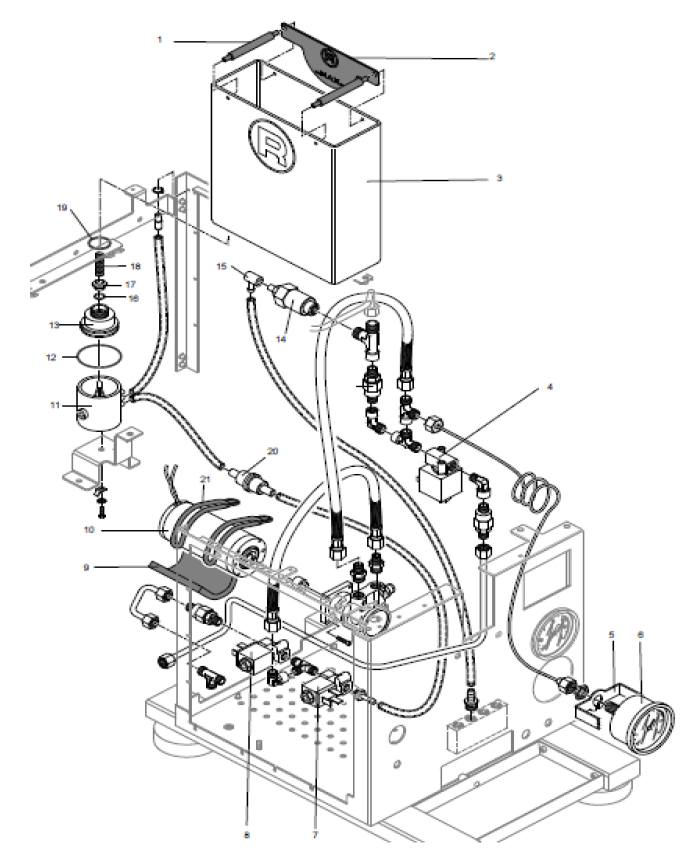
| RERNINEONE-4 | 1 | Heating element V. 230 - 1.200 W
Part Number: C199901551 |
|||
| RERNINEONE-4 | Heating element V. 115 - 1.000 W
Part Number: M199906291 |
||||
| RERNINEONE-4 | 2 | Injection pipe
Part Number: M279905843 |
|||
| RERNINEONE-4 | 3 | Gigleur 0.8
Part Number: R619905547 |
|||
| RERNINEONE-4 | 4 | Transducer 0-20 bar
Part Number: M199905393 |
|||
| RERNINEONE-4 | 5 | 130 C thermo cut off
Part Number: M199904767 |
|||
| RERNINEONE-4 | 6 | Brew Boiler R9
Part Number: M219905846 |
|||
| RERNINEONE-4 | 7 | Plate
Part Number: A229904333 |
|||
| RERNINEONE-4 | 8 | Connector for water wand
Part Number: M219906003 |
|||
| RERNINEONE-4 | 9 | Tap 1/8 MF
Part Number: A299904998 |
|||
| RERNINEONE-4 | 10 | Solenoid valve V230-50Hz 1/8
Part Number: C190004066 |
|||
| RERNINEONE-4 | Solenoid valve V115-60Hz 1/8
Part Number: C190004067 |
||||
| RERNINEONE-4 | 11 | Solenoid valve MIx V230-50Hz 1/8
Part Number: M199905794 |
|||
| RERNINEONE-4 | Solenoid valve Mix V115-60Hz 1/8
Part Number: M199906292 |
||||
| RERNINEONE-4 | 12 | Group solenoid valve V230-50Hz
Part Number: M199905043 |
|||
| RERNINEONE-4 | Group solenoid valve V115-60Hz
Part Number: M199905553 |
||||
| RERNINEONE-4 | 13 | Flowmeter
Part Number: M229904783 |
|||
| RERNINEONE-4 | 14 | Transducer cable
Part Number: M199905414 |
|||
| RERNINEONE-4 | 15 | Teflon gasket 1"
Part Number: C469900239 |
|||
| RERNINEONE-5 | 1 | Transformer 100W 115V
Part Number: M199906289 |
|||
| RERNINEONE-5 | Transformer 100W 220-240V
Part Number: M199905392 |
||||
| RERNINEONE-5 | 2 | Display cable
Part Number: M199906298 |
|||
| RERNINEONE-5 | 3 | Potentiometer
Part Number: M199906296 |
|||
| RERNINEONE-5 | 4 | Display
Part Number: M199906290 |
|||
| RERNINEONE-5 | 5 | Connector Block
Part Number: M199906352 |
|||
| RERNINEONE-5 | 6 | Lamp ring
Part Number: M519905871 |
|||
| RERNINEONE-5 | 7 | CE power cord
Part Number: C199900957 |
|||
| RERNINEONE-5 | UL power cord
Part Number: C199900958 |
||||
| RERNINEONE-5 | CH power cord
Part Number: C199901510 |
||||
| RERNINEONE-5 | KR power cord
Part Number: A199904616 |
||||
| RERNINEONE-5 | ISR power cord
Part Number: A199904518 |
||||
| RERNINEONE-5 | ARG power cord
Part Number: A199906558 |
||||
| RERNINEONE-5 | AUS/NZ power cord
Part Number: C199901115 |
||||
| RERNINEONE-5 | GB power cord
Part Number: C199901116 |
||||
| RERNINEONE-5 | 8 | Handle
Part Number: M499904788 |
|||
| RERNINEONE-5 | 9 | Key ring
Part Number: M529904853 |
|||
| RERNINEONE-5 | 10 | Control light R9
Part Number: M199905901 |
|||
| RERNINEONE-5 | 11 | Control board 230/115 V
Part Number: M199906288 |
|||
| RERNINEONE-5 | 12 | Relay Rocket with cover
Part Number: A190004666 |
|||
| RERNINEONE-5 | 13 | Main switch
Part Number: M199904787 |
|||
| RERNINEONE-6 | 1 | Spring
Part Number: A209904332 |
|||
| RERNINEONE-6 | 2 | Steam wand
Part Number: M219906351 |
|||
| RERNINEONE-6 | 3 | Plate
Part Number: A229904333 |
|||
| RERNINEONE-6 | 4 | Connector for R9-RE-R NINE ONE water wand
Part Number: M219906003 |
|||
| RERNINEONE-6 | 5 | 2 holes steam nozzle
Part Number: C200002839 |
|||
| RERNINEONE-6 | 6 | O-ring
Part Number: C400002022 |
|||
| RERNINEONE-6 | 7 | Steam tap cam
Part Number: M229905344 |
|||
| RERNINEONE-6 | 8 | Teflon gasket 1/4
Part Number: A269904417 |
|||
| RERNINEONE-6 | 9 | Connector cam
Part Number: M229905346 |
|||
| RERNINEONE-6 | 10 | Teflon gasket 1/4
Part Number: A269904417 |
|||
| RERNINEONE-6 | 11 | Support cam
Part Number: M229905347 |
|||
| RERNINEONE-6 | 12 | O-ring cover handle
Part Number: A449904672 |
|||
| RERNINEONE-6 | 13 | Steam knob "R"
Part Number: A529R04649 |
|||
| RERNINEONE-6 | 14 | Screw M 5x45
Part Number: M319905790 |
|||
| RERNINEONE-6 | 15 | Steam tap lever
Part Number: M699905528 |
|||
| RERNINEONE-6 | 16 | Steam valve
Part Number: M229905343 |
|||
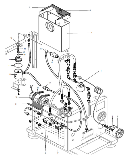
| RERNINEONE-7 | 1 | Water tank handle
Part Number: A639904956 |
|||
| RERNINEONE-7 | 2 | Reservoir level plate
Part Number: A239906414 |
|||
| RERNINEONE-7 | 3 | Reservoir
Part Number: R899905145 |
|||
| RERNINEONE-7 | 4 | Solenoid valve V230-50Hz 1/8
Part Number: C190004066 |
|||
| RERNINEONE-7 | Solenoid valve V115-60Hz 1/8
Part Number: C190004067 |
||||
| RERNINEONE-7 | 5 | Gauge fixing plate
Part Number: A009905109 |
|||
| RERNINEONE-7 | 6 | Pressure gauge 0-20 bar
Part Number: A219906185 |
|||
| RERNINEONE-7 | 7 | Solenoid valve 230V/ 50Hz 1/8
Part Number: C190004066 |
|||
| RERNINEONE-7 | Solenoid Valve 115V 60Hz 1/8
Part Number: C190004067 |
||||
| RERNINEONE-7 | 8 | Solenoid valve 230V 50Hz 1/8
Part Number: C190004066 |
|||
| RERNINEONE-7 | Solenoid valve 115V 60Hz 1/8
Part Number: C190004067 |
||||
| RERNINEONE-7 | 9 | Antivibration mat for pump
Part Number: M449906226 |
|||
| RERNINEONE-7 | 10 | Pump 24 V
Part Number: M299906285 |
|||
| RERNINEONE-7 | 11 | Manifold
Part Number: R839906552 |
|||
| RERNINEONE-7 | 12 | Lower tank OR
Part Number: A44990547 |
|||
| RERNINEONE-7 | 13 | Coupling
Part Number: A439905146 |
|||
| RERNINEONE-7 | 14 | Expansion valve
Part Number: C229900911 |
|||
| RERNINEONE-7 | 15 | Rubber connector
Part Number: C449900709 |
|||
| RERNINEONE-7 | 16 | Tank valve OR
Part Number: C449900702 |
|||
| RERNINEONE-7 | 17 | Water tank connector
Part Number: C430003482 |
|||
| RERNINEONE-7 | 18 | Water tank spring
Part Number: C019900711 |
|||
| RERNINEONE-7 | 19 | O-ring
Part Number: A449905151 |
|||
| RERNINEONE-7 | 20 | Suction filter
Part Number: C439900695 |
|||
| RERNINEONE-7 | 21 | Strap
Part Number: M449906286 |
USA







