Rocket Espresso R58 Part Diagram RER58
This is the Rocket Espresso R58 Part Diagram RER58. In the list below, you will find all the parts associated with the diagram that are available. Use the parts diagram to determine the part(s) you need.
If the part listed below is not viewable then we do not carry it at this time. However, if your machine is currently in production we are likely able to acquire the part directly from the manufacturer. In this case, contact us by submitting a support ticket. Please be advised that it may take up to eight weeks for us to receive the part from the manufacturer.
Please note: Parts are neither returnable nor refundable. If you need assistance selecting a part for your machine, please contact us.
| Diagram # | Pos # | Image | Description | Price |
|---|
| Diagram # | Pos # | Image | Description | Price | |
|---|---|---|---|---|---|
| RER58-1 | 1 | Cupsframe Part Number: A619904640 SKU: 23477 |
$192.68 | View Part | |
| RER58-1 | 2 |
|
Reservoir cover complete Part Number: R01L000382 SKU: 23420 |
$50.60 | View Part |
| RER58-1 | 3 | Cups support panel Part Number: A010004657 SKU: 19424 |
$158.72 | View Part | |
| RER58-1 | 4 |
|
Side panel Part Number: A010004659 SKU: 19423 |
$107.60 | View Part |
| RER58-1 | 5 | Rear panel Part Number: A010004658 SKU: 19422 |
$80.84 | View Part | |
| RER58-1 | 6 |
|
Rear tag Part Number: A859904400 SKU: 20975 |
$54.04 | View Part |
| RER58-1 | 7 | Tank guide
Part Number: A019904656 |
|||
| RER58-1 | 8 |
|
Front panel Part Number: A01I004561 SKU: 20979 |
$73.40 | View Part |
| RER58-1 | 9 | Front tag
Part Number: A859905056 |
|||
| RER58-1 | 10 |
|
Grid Part Number: A019904346 SKU: 20981 |
$39.80 | View Part |
| RER58-1 | 11 |
|
Drip tray Part Number: R01L005125 SKU: 25939 |
$110.60 | View Part |
| RER58-1 | 12 |
|
DrIp tray plug with Oring Part Number: A229904512 SKU: 23433 |
$11.84 | View Part |
| RER58-1 | 13 | 1/8 Half nut
Part Number: A329904369 |
|||
| RER58-1 | 14 |
|
Foot with extension (2 pcs) Part Number: R059906167 SKU: 25745 Notes: From serial # C1706 |
$43.64 | View Part |
| RER58-1 | Foot 40mm Part Number: A019904282 SKU: 20976 Notes: Up to serial # C1705 |
$17.48 | View Part | ||
| RER58-1 | 15 | Drain bucket Part Number: A439904913 SKU: 20968 |
$8.70 | View Part | |
| RER58-1 | 16 | Chassis Part Number: A009905127 SKU: 23319 |
$235.86 | View Part | |
| RER58-1 | 17 | Water tank guide support
Part Number: A009904661 |
|||
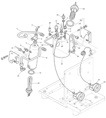
| RER58-2 | 1 | Water tank handle Part Number: A639904956 SKU: 20970 |
$8.32 | View Part | |
| RER58-2 | 3 | Water tank spring
Part Number: C019900711 |
|||
| RER58-2 | 4 | Connector
Part Number: C430003482 |
|||
| RER58-2 | 5 | O ring
Part Number: C449900702 |
|||
| RER58-2 | 6 | Coupling
Part Number: A439905146 |
|||
| RER58-2 | 7 | O ring
Part Number: A449904547 |
|||
| RER58-2 | 8 | Manifold
Part Number: A439905148 Notes: from Sn D1314R581793 |
|||
| RER58-2 | 8 | Manifold
Part Number: A439904347 Notes: till Sn D1314R581793 |
|||
| RER58-2 | 8A | Opening valve rod
Part Number: C520003483 Notes: till Sn D1314R581793 (use with 8 and 8B) |
|||
| RER58-2 | 8B | O ring
Part Number: C449901159 Notes: till Sn D1314R581793 (use with 8 and 8A) |
|||
| RER58-2 | 11 | 6 x 9 Silicon pipe
Part Number: C260003822 |
|||
| RER58-2 | 12 | Valve ball
Part Number: C430003819 |
|||
| RER58-2 | 13 | Non return connector
Part Number: C220003818 |
|||
| RER58-2 | 14 | 4 x 7 Silicon pipe
Part Number: C400001928 |
|||
| RER58-2 | 15 | 5 x 8 Silicon pipe
Part Number: C499900769 |
|||
| RER58-2 | 16 | Silicon pipe holder
Part Number: A229904511 |
|||
| RER58-2 | 17 | Solenoid valve V230
Part Number: C190004066 |
|||
| RER58-2 | 17A | Solenoid valve V115
Part Number: C190004067 |
|||
| RER58-2 | 18 | 1/8 T Connector M
Part Number: A229904358 |
|||
| RER58-2 | 19 | Oring
Part Number: A449905151 |
|||
| RER58-2 | 20 | 1/8 T Connector FMF
Part Number: C229900703 |
|||
| RER58-2 | 21 | Non return valve
Part Number: C229900540 |
|||
| RER58-2 | 22 | Water tank complete
Part Number: R899905145 |
|||
| RER58-2 | 23 | 1/8 MF Reduction
Part Number: A229905086 |
|||
| RER58-2 | 24 | 1/8 L Connector MF
Part Number: A229904445 |
|||
| RER58-2 | 25 | 3/8 - 1/8 MF Reduction
Part Number: A229904356 |
|||
| RER58-2 | 26 | Pump motor V230
Part Number: A199904493 |
|||
| RER58-2 | 26A | Pump motor V115
Part Number: A199904494 |
|||
| RER58-2 | 27 | Volumetric pump
Part Number: A299904495 |
|||
| RER58-2 | 28 | Motor bracket
Part Number: A009904447 |
|||
| RER58-2 | 29 | Motor schock absorber
Part Number: A499904364 |
|||
| RER58-2 | 30 | Expansion output
Part Number: A227704363 |
|||
| RER58-2 | 31 | Rubber connector
Part Number: C449900709 |
|||
| RER58-2 | 32 | Direct water connection hose
Part Number: A299904390 |
|||
| RER58-2 | 33 | 9 x12 Silicon pipe
Part Number: M499904824 |
|||
| RER58-2 | 34 | 3/8 M-1/8 M Connector
Part Number: A229904374 |
|||
| RER58-2 | 3/8 F-1/8 M Connector
Part Number: A229905211 Notes: USA |
||||
| RER58-2 | 3/8 M - 9/16 M Connector
Part Number: A229905212 Notes: USA |
||||
| RER58-2 | 35 | Expansion valve
Part Number: C229900911 |
|||
| RER58-2 | 36 | Pipe
Part Number: A279904642 |
|||
| RER58-2 | 37 | Pipe
Part Number: A279904643 |
|||
| RER58-2 | 38 | Pipe
Part Number: A279904644 |
|||
| RER58-2 | 39 | Pipe
Part Number: A279904647 |
|||
| RER58-2 | 40 | Pipe
Part Number: A279904648 |
|||
| RER58-2 | 41 | Pipe
Part Number: A279904353 |
|||
| RER58-2 | 42 | Water inlet connector
Part Number: A220004313 |
|||
| RER58-2 | 43 | Svivel connector
Part Number: A229904349 |
|||
| RER58-2 | 44 | 1/8 Plug
Part Number: A229904548 |
|||
| RER58-2 | 45 | Teflon gasket 1/8
Part Number: A469904549 |
|||
| RER58-3 | 1 | Inlet pipe w. 3 mm restrictor
Part Number: A279905173 |
|||
| RER58-3 | 2 | Injector
Part Number: C229900393 |
|||
| RER58-3 | 3 | Connector
Part Number: C229900740 |
|||
| RER58-3 | 4 | Copper gasket
Part Number: C479900673 |
|||
| RER58-3 | 5 | Coffee boiler
Part Number: A270004558 |
|||
| RER58-3 | 6 | Thermostat 135C
Part Number: C199901550 |
|||
| RER58-3 | 7 | OR Viton 114
Part Number: A449905175 |
|||
| RER58-3 | 8 | NTC Probe
Part Number: A199904679 |
|||
| RER58-3 | 9 | Return pipe
Part Number: A279904641 |
|||
| RER58-3 | 11 | L Connector 3/8 MM
Part Number: A229904957 |
|||
| RER58-3 | 12 | Heating element gasket
Part Number: C469900239 |
|||
| RER58-3 | 13 | Heating element V230
Part Number: A199905013 |
|||
| RER58-3 | 13A | Heating element V115
Part Number: A199905014 |
|||
| RER58-3 | 14 | Heating element V230
Part Number: A110004667 |
|||
| RER58-3 | 14A | Heating element V115
Part Number: A110004668 |
|||
| RER58-3 | 15 | Heating element gasket
Part Number: A269904671 |
|||
| RER58-3 | 16 | R58 Service boiler probe
Part Number: A199905078 |
|||
| RER58-3 | 17 | Antisuction valve
Part Number: A219905510 |
|||
| RER58-3 | 18 | Safety valve 1.8
Part Number: A229905084 |
|||
| RER58-3 | 19 | 3/8 L Connector MF
Part Number: A229904680 |
|||
| RER58-3 | 20 | 1/4 L Connector MM
Part Number: C229900525 |
|||
| RER58-3 | 21 | 1/8 L Connector MM
Part Number: A229904355 |
|||
| RER58-3 | 22 | Service boiler
Part Number: A270004559 |
|||
| RER58-3 | 23 | Hot water pipe
Part Number: A279904645 |
|||
| RER58-3 | 24 | Steam pipe
Part Number: A279904646 |
|||
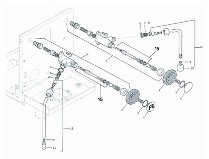
| RER58-3 | 25 | Pump pressure gauge
Part Number: A299904663 |
|||
| RER58-3 | 26 | Boiler pressure gauge
Part Number: A299904662 |
|||
| RER58-3 | 27 | Pressure gauge support
Part Number: M009904997 |
|||
| RER58-3 | 28 | NTC Service boiler probe
Part Number: A119905081 |
|||
| RER58-3 | 29 | Teflon gasket
Part Number: A269904417 |
|||
| RER58-4 | 1 | Hot water valve
Part Number: A227704669 |
|||
| RER58-4 | 2 | Steam/hot water valve handle
Part Number: A639905816 |
|||
| RER58-4 | 3 | Oring
Part Number: A449904672 |
|||
| RER58-4 | 4 | Steam cover handle
Part Number: A529R04649 |
|||
| RER58-4 | 5 | Hot water cover handle
Part Number: A527704649 |
|||
| RER58-4 | 6 | Teflon gasket
Part Number: A449904331 |
|||
| RER58-4 | 7 | Spring
Part Number: A209904332 |
|||
| RER58-4 | 8 | Plate
Part Number: A229904333 |
|||
| RER58-4 | 9 | Oring
Part Number: C400002022 |
|||
| RER58-4 | 10 | Hot water nozzle
Part Number: R299905217 |
|||
| RER58-4 | 11 | Steam tip 1.5
Part Number: A899905091 |
|||
| RER58-4 | 11A | Steam tip 1.2
Part Number: A899905092 |
|||
| RER58-4 | 12 | Hot water wand complete
Part Number: A219904650 |
|||
| RER58-4 | 13 | Steam wand complete
Part Number: A219904651 |
|||
| RER58-4 | 14 | Steam valve
Part Number: A227705093 |
|||
| RER58-4 | 15 | Valve rod (compl. assembly kit)
Part Number: R229905676 |
|||
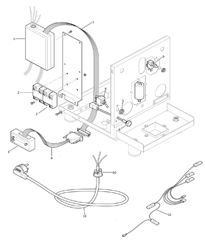
| RER58-5 | 1 | Control Box V230
Part Number: A190004664 |
|||
| RER58-5 | 1A | Control Box V115
Part Number: A199905012 |
|||
| RER58-5 | 2 | Rele
Part Number: A190004666 |
|||
| RER58-5 | 3 | Display complete with spiral cable
Part Number: RA199905727 |
|||
| RER58-5 | 4 | General switch
Part Number: A199904992 |
|||
| RER58-5 | 5 | Nut
Part Number: A529904989 |
|||
| RER58-5 | 6 | Green lamp
Part Number: A139904519 |
|||
| RER58-5 | 7 | Flat cable connection to board
Part Number: A199904673 |
|||
| RER58-5 | 8 | Conn. cable board to display
Part Number: A199904674 Notes: till Sn D1233R584657 |
|||
| RER58-5 | Spiral cable
Part Number: A199905115 Notes: from Sn D1233R584657 |
||||
| RER58-5 | 9 | Microswitch
Part Number: A199905198 |
|||
| RER58-5 | 10 | Cordlock
Part Number: C439900086 |
|||
| RER58-5 | 11 | CE Power cord
Part Number: C199900957 |
|||
| RER58-5 | IS Power cord
Part Number: A199904518 |
||||
| RER58-5 | KR Power cord
Part Number: A199904616 |
||||
| RER58-5 | UL Power cord
Part Number: C199900958 |
||||
| RER58-5 | AUS/NZ Power cord
Part Number: C199901115 |
||||
| RER58-5 | GB Power cord
Part Number: C199901116 |
||||
| RER58-5 | CH Power cord
Part Number: C199901510 |
||||
| RER58-5 | 12 | Wiring loom
Part Number: A190004639 |
|||
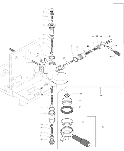
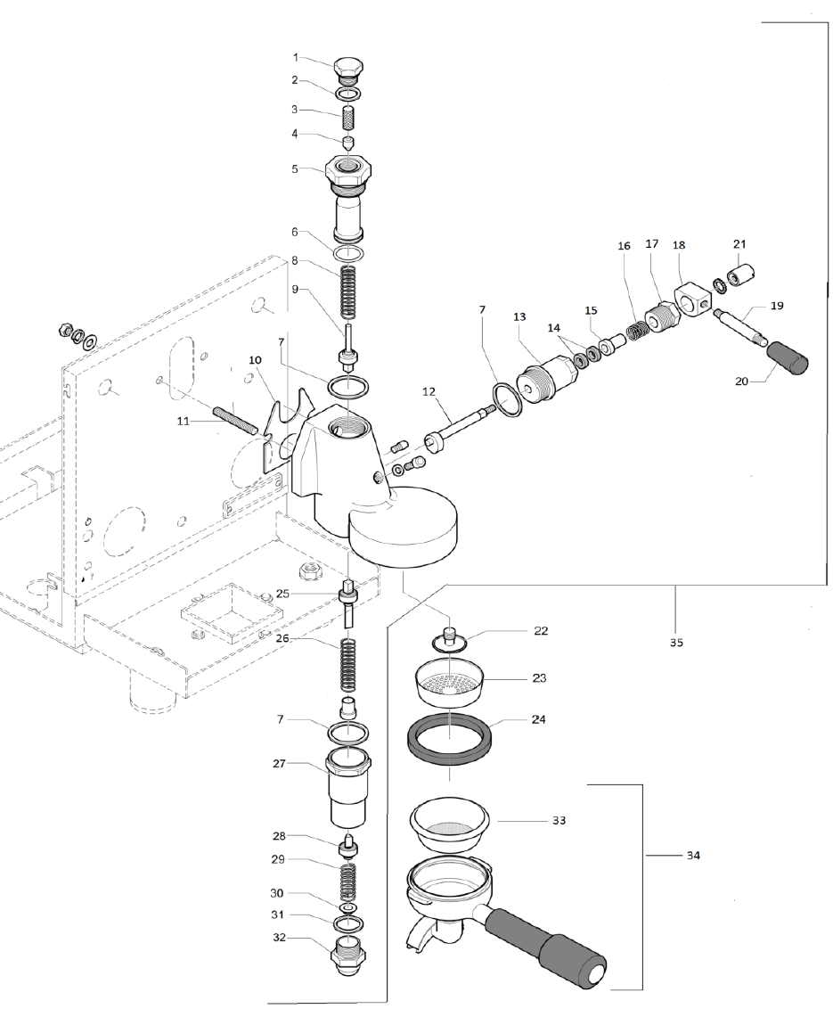
| RER58-6 | 1 | Rounded nut
Part Number: A229904391 |
|||
| RER58-6 | 2 | Gasket
Part Number: C469900420 |
|||
| RER58-6 | 3 | Filter
Part Number: C619900554 |
|||
| RER58-6 | 4 | Restrictor 0,8
Part Number: C229900549 |
|||
| RER58-6 | 5 | Ceramic group shaft
Part Number: RA99905814 |
|||
| RER58-6 | 6 | Green gasket
Part Number: C469900422 |
|||
| RER58-6 | 7 | Teflon gasket
Part Number: C469900421 |
|||
| RER58-6 | 8 | Spring
Part Number: C219900423 |
|||
| RER58-6 | 9 | Valve assembly
Part Number: C219900424 |
|||
| RER58-6 | 10 | Gasket
Part Number: C449900767 |
|||
| RER58-6 | 11 | Fixing group screw
Part Number: A319904599 |
|||
| RER58-6 | 12 | Shaft
Part Number: R229905238 |
|||
| RER58-6 | 13 | Flange
Part Number: R000002142 |
|||
| RER58-6 | 14 | Gasket
Part Number: C219900426 |
|||
| RER58-6 | 15 | Support
Part Number: R000002143 |
|||
| RER58-6 | 16 | Spring
Part Number: C219900427 |
|||
| RER58-6 | 17 | Cover
Part Number: R000002144 |
|||
| RER58-6 | 18 | Shaft
Part Number: R000002145 |
|||
| RER58-6 | 19 | Lever shaft
Part Number: A829904329 |
|||
| RER58-6 | 20 | Group handle
Part Number: A839904330 |
|||
| RER58-6 | 21 | Pin
Part Number: R000002146 |
|||
| RER58-6 | 22 | Diffuser
Part Number: C229901228 |
|||
| RER58-6 | 23 | Shower
Part Number: C519900103 |
|||
| RER58-6 | 24 | Group Gasket
Part Number: C449900229 |
|||
| RER58-6 | 25 | Drain valve
Part Number: R229905239 |
|||
| RER58-6 | 26 | Spring
Part Number: A219904309 |
|||
| RER58-6 | 27 | Cylinder
Part Number: C229901165 |
|||
| RER58-6 | 28 | Valve
Part Number: C219903081 |
|||
| RER58-6 | 29 | Spring
Part Number: C219900431 |
|||
| RER58-6 | 30 | Connector
Part Number: R000002148 |
|||
| RER58-6 | 31 | Gasket
Part Number: C469900783 |
|||
| RER58-6 | 32 | Connector
Part Number: R000002149 |
|||
| RER58-6 | 33 | 7 gr filter basket
Part Number: C610003902 |
|||
| RER58-6 | 33A | 14 gr filter basket
Part Number: C610003901 |
|||
| RER58-6 | 33B | Blind filter
Part Number: C619900106 |
|||
| RER58-6 | 34 | 1 cup filter holder w/filter
Part Number: A699905020 |
|||
| RER58-6 | 34A | 2 cups filter holder w/filter
Part Number: A699905021 |
|||
| RER58-6 | 35 | Group complete
Part Number: A229905448 |
USA






