ECM Mechanika V Slim Part Diagram 82045
This is the ECM Mechanika V Slim Part Diagram 82045. In the list below, you will find all the parts associated with the diagram that are available. Use the parts diagram to determine the part(s) you need.
If the part listed below is not viewable then we do not carry it at this time. However, if your machine is currently in production we are likely able to acquire the part directly from the manufacturer. In this case, contact us by submitting a support ticket. Please be advised that it may take up to eight weeks for us to receive the part from the manufacturer.
Please note: Parts are neither returnable nor refundable. If you need assistance selecting a part for your machine, please contact us.
| Diagram # | Pos # | Image | Description | Price |
|---|
| Diagram # | Pos # | Image | Description | Price | |
|---|---|---|---|---|---|
| 82045-1 | 1 | Brass bushing D10x4.2
Part Number: B5220818.1 |
|||
| 82045-1 | 2 |
|
Foot for cup warming tray Part Number: B7474212 |
$7.35 | View Part |
| 82045-1 | 3 |
|
O-ring foot 29x4 Part Number: B7474216.1 |
$5.56 | View Part |
| 82045-1 | 4 | Emblem Part Number: E81000 |
$36.52 | View Part | |
| 82045-1 | 5 |
|
Allen screw M10x20 Part Number: P1984 |
$5.44 | View Part |
| 82045-1 | 6 | Blind rivet truss head 2,4x12
Part Number: P1998 |
|||
| 82045-1 | 7 |
|
Screw cylinder head M4x10 Part Number: P2006 |
$5.41 | View Part |
| 82045-1 | 8 | Screw cylinder head M5x10
Part Number: P2007 |
|||
| 82045-1 | 9 | Guide rail drip tray Part Number: P3001.6 |
$11.00 | View Part | |
| 82045-1 | 10 |
|
Railing Part Number: P3002 |
$38.66 | View Part |
| 82045-1 | 11 | Foot M10 H20mm Part Number: P7029 |
$21.72 | View Part | |
| 82045-1 | 12 |
|
Upper cup warming tray Part Number: P9001 |
$58.80 | View Part |
| 82045-1 | 13 |
|
Drip tray Part Number: P9003 |
$142.42 | View Part |
| 82045-1 | 14 |
|
Grid drip tray Part Number: P9004 |
$50.42 | View Part |
| 82045-1 | 15 | Cover Heating element
Part Number: P9009 |
|||
| 82045-1 | 16 | Chassis Part Number: P9016 |
$115.34 | View Part | |
| 82045-1 | 17 | Front panel Part Number: P9017 |
$49.80 | View Part | |
| 82045-1 | 18 | Lower cup warming tray Part Number: P9018 |
$46.88 | View Part | |
| 82045-1 | 19 | Railing Part Number: P9028 |
$16.88 | View Part | |
| 82045-1 | 20 | Side panel Part Number: P9029 |
$75.80 | View Part | |
| 82045-1 | 21 | Rear panel
Part Number: P9030 |
|||
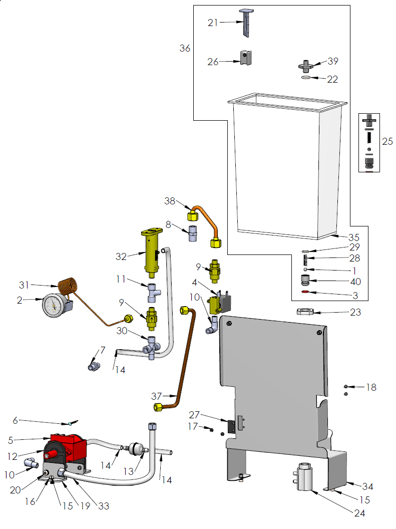
| 82045-2 | 1 | Ball watertank lock
Part Number: B5471509 |
|||
| 82045-2 | 2 | Pump pressure gauge series IV
Part Number: B7432517 |
|||
| 82045-2 | 3 | Gasket watertank adapter lower
Part Number: B7496076 |
|||
| 82045-2 | 4 | Solenoid valve 2-ways 1/8"FF 230V/50Hz
Part Number: C199900275 |
|||
| 82045-2 | Solenoid valve 2-ways 1/8"FF 110V/60Hz
Part Number: US1005 |
||||
| 82045-2 | 5 | Vibration pump 230V / 50Hz
Part Number: C199900280 |
|||
| 82045-2 | Vibration pump 120V / 60Hz black
Part Number: US1001 |
||||
| 82045-2 | Vibration pump 100V red
Part Number: US1025 |
||||
| 82045-2 | 6 | Heat sensor Pump
Part Number: C199900969 |
|||
| 82045-2 | 7 | Nipple 1/8" M - 1/8" M
Part Number: C229900518 |
|||
| 82045-2 | 8 | Nipple 1/4" - 1/4" MM
Part Number: C229900520 |
|||
| 82045-2 | 9 | Non-return valve 1/8" MM
Part Number: C229900548 |
|||
| 82045-2 | 10 | Elbow 1/8"M 1/8"M
Part Number: C229900579 |
|||
| 82045-2 | 11 | T-connector 1/8" FMF
Part Number: C229900703 |
|||
| 82045-2 | 12 | Upper bracket vibration pump
Part Number: C249900770 |
|||
| 82045-2 | 13 | Filter watertank
Part Number: C439900695 |
|||
| 82045-2 | 14 | Silicon tube transparent 5x8
Part Number: C499900769 |
|||
| 82045-2 | 15 |
|
Screw cylinder head M4x10 Part Number: P2006 |
$5.41 | View Part |
| 82045-2 | 16 | Flat washer M4
Part Number: P2009 |
|||
| 82045-2 | 17 | Hexagon nut M3
Part Number: P2019 |
|||
| 82045-2 | 18 | Lens head screw M3x5
Part Number: P2064 |
|||
| 82045-2 | 19 | Lower bracket vibration pump
Part Number: P3006.K |
|||
| 82045-2 | 20 | Screw for bracket 4,8x13mm
Part Number: P3019 |
|||
| 82045-2 | 21 | Cap floater water tank
Part Number: P6016 |
|||
| 82045-2 | 22 | Gasket watertank adapter upper
Part Number: P6020.3 |
|||
| 82045-2 | 23 | Water tank adapter nut M20
Part Number: P6020.K3 |
|||
| 82045-2 | 24 | Water tank adapter M20
Part Number: P6020.K4 |
|||
| 82045-2 | 25 | Water tank adapter complete
Part Number: P6020.NK |
|||
| 82045-2 | 26 | Reed swimmer
Part Number: P6021 |
|||
| 82045-2 | 27 | Reed sensor low water switch-off
Part Number: P6022 |
|||
| 82045-2 | 28 | Spring water tank lock
Part Number: P6023 |
|||
| 82045-2 | 29 | Gasket water tank adapter middle
Part Number: P6025 |
|||
| 82045-2 | 30 | Cross fitting 1/8" MFFF
Part Number: P6047 |
|||
| 82045-2 | 31 | Capillary tube pump pressure gauge
Part Number: P6051 |
|||
| 82045-2 | 32 | Expansion valve
Part Number: P7000 |
|||
| 82045-2 | 33 | Flex hose 1/8" FF 250mm
Part Number: P8016 |
|||
| 82045-2 | 34 | Water tank guide rail
Part Number: P9007 |
|||
| 82045-2 | 35 | Watertank blank
Part Number: P9010 |
|||
| 82045-2 | 36 | Watertank complete
Part Number: P9010.K1 |
|||
| 82045-2 | 37 | Downtake tube
Part Number: P9400 |
|||
| 82045-2 | 38 | Boiler loading tube
Part Number: P9401 |
|||
| 82045-2 | 39 | Watertank adapter mounting nut
Part Number: P6020 |
|||
| 82045-2 | 40 | Water tank valve
Part Number: P6017 |
|||
| 82045-3 | 1 | Capillary tube boiler
Part Number: B7400902 |
|||
| 82045-3 | 2 | Boiler pressure gauge
Part Number: B7432516 |
|||
| 82045-3 | 3 | Filling level control plate
Part Number: C199900214 |
|||
| 82045-3 | 4 | Pressure switch 0,5bar-1,5bar Mater
Part Number: C199900294 |
|||
| 82045-3 | 5 | Safety thermostat 145C
Part Number: C199901550.1 |
|||
| 82045-3 | 6 | Anti-vacuum valve 1/4" M
Part Number: C219900561 |
|||
| 82045-3 | 7 | Injection pipe
Part Number: C229900393 |
|||
| 82045-3 | 8 | Nipple 1/8" M - 1/8" M
Part Number: C229900518 |
|||
| 82045-3 | 9 | Nipple 1/4" - 1/4" MM
Part Number: C229900520 |
|||
| 82045-3 | 10 | Elbow 1/4" M 1/4" M
Part Number: C229900525 |
|||
| 82045-3 | 11 | Safety valve 3/8" M 2bar
Part Number: C229900559 |
|||
| 82045-3 | 12 | Connection injection pipe
Part Number: C229900740 |
|||
| 82045-3 | 13 | Hex nut M8 brass
Part Number: C309900127.2 |
|||
| 82045-3 | 14 |
|
Screw cylinder head M4x10 Part Number: P2006 |
$5.41 | View Part |
| 82045-3 | 15 | Flat washer M4
Part Number: P2009 |
|||
| 82045-3 | 16 | Spring ring M8
Part Number: P2011 |
|||
| 82045-3 | 17 | Copper gasket 3/8"
Part Number: P2045 |
|||
| 82045-3 | 18 | Heating element 230V 1400W
Part Number: P7014.1 |
|||
| 82045-3 | Heating element 110V 1400W
Part Number: US1000 |
||||
| 82045-3 | 19 | Boiler isolation
Part Number: P7049 |
|||
| 82045-3 | 20 | Boiler
Part Number: P7080 |
|||
| 82045-3 | 21 | Gasket heating element
Part Number: P9013 |
|||
| 82045-3 | 22 | Hot water tube
Part Number: P9402 |
|||
| 82045-3 | 23 | Pressure switch tube
Part Number: P9403 |
|||
| 82045-3 | 24 | Steam tube
Part Number: P9404 |
|||
| 82045-4 | 1 | Disc "acqua" red
Part Number: B5522056.1 |
|||
| 82045-4 | 2 | Handle rotary valve
Part Number: B7371509 |
|||
| 82045-4 | 3 | Nut (half) 1/4"
Part Number: C329900682 |
|||
| 82045-4 | 4 | Rotary valve steam/hot water
Part Number: P6000 |
|||
| 82045-4 | 5 | Valve corpus
Part Number: P6000.1 |
|||
| 82045-4 | 6 | Gasket valve spindle
Part Number: P6000.2 |
|||
| 82045-4 | 7 | O-Ring valve spindle
Part Number: P6000.3 |
|||
| 82045-4 | 8 | Spindle steam/hot water valve
Part Number: P6000.4 |
|||
| 82045-4 | 9 | Nut 3/8"
Part Number: P6000.5 |
|||
| 82045-4 | 10 | Bow nut M6
Part Number: P6000.6 |
|||
| 82045-4 | 11 | Gasket
Part Number: P6002.1 |
|||
| 82045-4 | 12 | 2-hole steam nozzle
Part Number: P6002.4 |
|||
| 82045-4 | 3-hole-steam-nozzle
Part Number: P6002.7 |
||||
| 82045-4 | 4-hole-steam-nozzle
Part Number: P6002.6 |
||||
| 82045-4 | 5-hole-steam-nozzle
Part Number: P6002.3 |
||||
| 82045-4 | 13 | Steam lance compl. with 2-hole nozzle
Part Number: P6005 |
|||
| 82045-4 | 14 | Nut steam with teflon-ring
Part Number: P6005.5 |
|||
| 82045-4 | 15 | Teflon-ring nut steam / hot water
Part Number: P6005.6 |
|||
| 82045-4 | 16 | Hot water tube complete
Part Number: P6006 |
|||
| 82045-4 | 17 | Socket Teflon
Part Number: P6010 |
|||
| 82045-4 | 18 | Spring
Part Number: P6011 |
|||
| 82045-4 | 19 | Washer socket
Part Number: P6012 |
|||
| 82045-4 | 20 | Gasket nut valve
Part Number: P6015 |
|||
| 82045-4 | 21 | Rubber isolation
Part Number: P6002.2 |
|||
| 82045-4 | 22 | Rubber isolation
Part Number: P6002.2 |
|||
| 82045-4 | 23 | Hot water outlet
Part Number: P6001.1 |
|||
| 82045-4 | 24 | Strainer hot water outlet
Part Number: P6001.2 |
|||
| 82045-5 | 1 | Spring guide group
Part Number: B7479942 |
|||
| 82045-5 | 2 | Lock washer M8
Part Number: B7479947 |
|||
| 82045-5 | 3 | Spring brew group E61
Part Number: C219900423 |
|||
| 82045-5 | 4 | Valve brew group E61 upper
Part Number: C219900424 |
|||
| 82045-5 | 5 | Axis brew group E61
Part Number: C219900425 |
|||
| 82045-5 | 6 | Washer axis brew group E61
Part Number: C219900426 |
|||
| 82045-5 | 7 | Spring axis brew group E61
Part Number: C219900427 |
|||
| 82045-5 | 8 | Valve group E61 lower
Part Number: C219900430 |
|||
| 82045-5 | 9 | Spring lower
Part Number: C219900431 |
|||
| 82045-5 | 10 | Valve brewing group E61 middle
Part Number: C219903081 |
|||
| 82045-5 | 11 | Flow restrictor 0,8
Part Number: C229900549 |
|||
| 82045-5 | 12 | Sprayer brew group lower
Part Number: C229901128 |
|||
| 82045-5 | 13 | Lower sleeve assembly
Part Number: C229901165 |
|||
| 82045-5 | 14 | Hex nut M8 brass
Part Number: C309900127.2 |
|||
| 82045-5 | 15 | Allen screw M8 x 31
Part Number: C309900131 |
|||
| 82045-5 | 16 | Screw cylinder M6 x 10
Part Number: C309900164 |
|||
| 82045-5 | 17 | Group gasket
Part Number: C449900229 |
|||
| 82045-5 | 18 | Gasket brew group / front panel E61
Part Number: C449900767 |
|||
| 82045-5 | 19 | Gasket teflon 35x30x2
Part Number: C469900421 |
|||
| 82045-5 | 20 | Gasket socket brewing group
Part Number: C469900422 |
|||
| 82045-5 | 21 | Teflon gasket brew group E61 lower
Part Number: C469900783 |
|||
| 82045-5 | 22 | Teflon gasket 10x6x1
Part Number: C469901132 |
|||
| 82045-5 | 23 | Shower screen
Part Number: C519900103 |
|||
| 82045-5 | 24 | Inox filter gigleur
Part Number: C619900554 |
|||
| 82045-5 | 25 | Socket group stainless steel complete
Part Number: P1000.1 |
|||
| 82045-5 | 26 | Lever axis group
Part Number: P1000.2 |
|||
| 82045-5 | 27 | Lower brew group cylinder
Part Number: P1000.3 |
|||
| 82045-5 | 28 | Fitting group cylinder ECM
Part Number: P1000.4 |
|||
| 82045-5 | 29 | Lower discharge group
Part Number: P1000.5 |
|||
| 82045-5 | 30 | Lever handle chrome
Part Number: P1002 |
|||
| 82045-5 | 31 | Spring holder brewing group
Part Number: P1004 |
|||
| 82045-5 | 32 | Brewing group E61
Part Number: P1009 |
|||
| 82045-5 | 33 | Restrictor 2,5mm
Part Number: P1910.1 |
|||
| 82045-5 | 34 | Washer M8
Part Number: P2010 |
|||
| 82045-5 | 35 | Spring ring M8
Part Number: P2011 |
|||
| 82045-5 | 36 | Entry pipe group
Part Number: P9405 |
|||
| 82045-5 | 37 | Tube return flow group
Part Number: P9406 |
|||
| 82045-5 | 38 | Flange
Part Number: R000002142 |
|||
| 82045-5 | 39 | Screw joint axis group
Part Number: R000002144 |
|||
| 82045-5 | 40 | Bolt lever
Part Number: R000002146 |
|||
| 82045-5 | 41 | Sprayer brew group lower
Part Number: R000002148 |
|||
| 82045-6 | 1 | Portafilter 1 outlet chrome/black
Part Number: 89424 |
|||
| 82045-6 | 2 | Portafilter 2 outlets chrome/black
Part Number: 89425 |
|||
| 82045-6 | 3 | Hexagon nut microswitch M10 x 0,75
Part Number: B5221875CM |
|||
| 82045-6 | 4 | Control lamp orange
Part Number: B7633617 |
|||
| 82045-6 | 5 | Control lamp green
Part Number: B7633618 |
|||
| 82045-6 | 6 | Power switch metal
Part Number: C199900087 |
|||
| 82045-6 | 7 | Microswitch
Part Number: C199900306 |
|||
| 82045-6 | 8 | Power cable schuko plug
Part Number: C199900957 |
|||
| 82045-6 | Power cable US-plug
Part Number: P2034 |
||||
| 82045-6 | Power cable UK-plug
Part Number: P2035 |
||||
| 82045-6 | Power cable AU-plug
Part Number: P2036 |
||||
| 82045-6 | 9 | Locking spring portafilter
Part Number: C619900098 |
|||
| 82045-6 | 10 | Cup filter 7g
Part Number: C619900104 |
|||
| 82045-6 | 11 | Cup filter 14g
Part Number: C619900105 |
|||
| 82045-6 | 12 | Blind filter
Part Number: C619900106 |
|||
| 82045-6 | 13 | Tamper plastic
Part Number: C639900764 |
|||
| 82045-6 | 14 | Controlbox 240V
Part Number: M2004 |
|||
| 82045-6 | Controlbox 115V
Part Number: US1004 |
||||
| 82045-6 | 15 | Screw M4x30 Brass
Part Number: P2001 |
|||
| 82045-6 | 16 | Nut M4 Brass
Part Number: P2002 |
|||
| 82045-6 | 17 |
|
Screw cylinder head M4x10 Part Number: P2006 |
$5.41 | View Part |
| 82045-6 | 18 | Flat washer M4
Part Number: P2009 |
|||
| 82045-6 | 19 | Cable fixing with nut
Part Number: P2070 |
|||
| 82045-6 | 20 | Cable loom
Part Number: P2591 |
|||
| 82045-6 | 21 | Static relais
Part Number: P6029 |
|||
| 82045-6 | 22 | Bracket electric
Part Number: P9019 |
|||
| 82045-6 | 23 | Cleaning brush
Part Number: R210 |
USA






